电子管扩音机以其温暖柔和,饱满甜美的音色吸引了一代又一代的音响爱好者。但它也有一个致命的弱点:输出阻抗高,须用输出变压器才能与普通音箱相匹配,但一款质好的输出变压器价格很昂贵,往往使广大“发烧友”望而止步。这也许就是电子管功放普及率不及晶体管功放高的原因之一。
可是如果在输入级采用电子管而在末级输出部分采用晶体管将会出现什么奇迹呢?让我们来试一下吧。
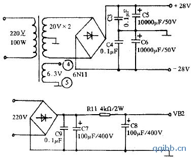
图1是笔者最近采用国产胆管6N11设计的一款胆石混合式功放,对于广大“胆”机爱好者也许会起到抛砖引玉的作用。图2为电源电路。


本着简洁的原则,输入级部分采用6N11组成并联调整式推挽放大这一电路形式(即SRPP形式),这种电路原设计是在电视领域作高频输入级的,后来用于音响领域。该电路的失真度、动态范围等均优于三极管甲类放大电路。特别是对7 kHz以上的信号放大要优于三极管放大,这就弥补了胆机高频响应不易做好这一缺陷。
功放后级采用OCL电路,由一对大功率对管组成。管子型号为:MJ11032和MJ11033,是美国MOTOROLA公司生产的管子。其BVeco为120 V。最大输出电流50 A,耗散功率300 w,特征频率为30 MHz。
元件选择:6N11选用北京曙光厂产品,可用6DJ8,6922等直接代换,当然也可用音色暖,且价格只有6N11一半的6N3代替,但这速度要慢许多。R3、R4阻值误差控制在99.9%以内为好。方法是通过测量A点的电压值,看是否为VB2的一半。耦合电容C1最好选用耐压大于450 V的MKP电容,也可用WIMA电容或洗衣机中的CBB启动电容代替。电阻除注明外,其余选用1/4 w金属膜电阻。MJ11032和MJ11033应选用美国原装产品,而市场上出售的印有“MEXICO”字样的管子,使用效果较差。
灯丝若采用交流供电其听感比较醇厚,但交流声不好处理,这时可用灯丝一端接地的方法予以解决。
由于本功放电路简单,为了尽快完工,笔者全部采用搭棚焊接的方式进行连接,结果也没有出现本底噪声。静态时,在距扬声器1 m远处听不见任何噪音。
试听后给人的总体印象是:音色醇厚饱满,使人久听不厌,用普通CD机作音源时,完全没有“数码”声,声音自然流畅。