M51513L 5.8W音频功放电路

📅 发布时间:2012-12-01 00:01 👁️ 浏览:0 🏷️ 标签: M51513L 5.8 音频功放电路

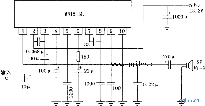
   M51513L是音频功率放大集成电路,采用10脚单列直插塑料封装。电压增益高,输出功率大,甚至可在2Ω负载下工作,它的电源电压范围为9~16V。在电源电压13.2V、负载阻抗4Ω、失真度为10%时,其输出功率为5.8W(典型值)。电路内设有短路保护、热切断、电源浪涌电压保护等电路,适用于汽车收音机、汽车立体声装置中作音频功率放大器。如图所示为其典型应用电路。

觉得这篇文章有帮助吗?