TDA7375为车用环绕立体声功率放大电路,广泛应用于汽车音响电路中,亦应用于多媒体音响设备中。它具有以下特点: 高功率输出:
2x40W(MAX/4Ω)
2x35W/4ΩEIAJ
2x25W @4Ω,14.4V,1kHz,THD=10%
最少的外接元件
无需外部消振电容
内部固定增益/26dB BTL
开机无冲击噪声
DC-AC短路保护
软启动电路
内部过载超温保护
电池极性转换电路
负载传感电路
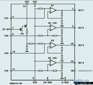
TDA7375内部框图
![[四声道功放IC]TDA7375资料及应用电路图1.gif](/d/file/2013-08-29/133402a076e9a6ce7113cb6878a27e45.gif)
![[四声道功放IC]TDA7375资料及应用电路图2.gif](/d/file/2013-08-29/4f7a6c2715f7e7600a4fcf07c2badcc9.gif)
![[四声道功放IC]TDA7375资料及应用电路图3.gif](/d/file/2013-08-29/766073c54247ca0e81e0be559fbeb41c.gif)
![[四声道功放IC]TDA7375资料及应用电路图4.gif](/d/file/2013-08-29/cf655f909f73e8c0c8e6677a3de293a0.gif)
![[四声道功放IC]TDA7375资料及应用电路图5.gif](/d/file/2013-08-29/81a0f63ae466b9cee7e2b7f2a9b33056.gif)
![[四声道功放IC]TDA7375资料及应用电路图6.gif](/d/file/2013-08-29/edec16b28d1ada4f511ee644ed78ddc0.gif)
TDA7375为车用环绕立体声功率放大电路,广泛应用于汽车音响电路中,亦应用于多媒体音响设备中。它具有以下特点: 高功率输出:
2x40W(MAX/4Ω)
2x35W/4ΩEIAJ
2x25W @4Ω,14.4V,1kHz,THD=10%
最少的外接元件
无需外部消振电容
内部固定增益/26dB BTL
开机无冲击噪声
DC-AC短路保护
软启动电路
内部过载超温保护
电池极性转换电路
负载传感电路
TDA7375内部框图
![[四声道功放IC]TDA7375资料及应用电路图1.gif](/d/file/2013-08-29/133402a076e9a6ce7113cb6878a27e45.gif)
![[四声道功放IC]TDA7375资料及应用电路图2.gif](/d/file/2013-08-29/4f7a6c2715f7e7600a4fcf07c2badcc9.gif)
![[四声道功放IC]TDA7375资料及应用电路图3.gif](/d/file/2013-08-29/766073c54247ca0e81e0be559fbeb41c.gif)
![[四声道功放IC]TDA7375资料及应用电路图4.gif](/d/file/2013-08-29/cf655f909f73e8c0c8e6677a3de293a0.gif)
![[四声道功放IC]TDA7375资料及应用电路图5.gif](/d/file/2013-08-29/81a0f63ae466b9cee7e2b7f2a9b33056.gif)
![[四声道功放IC]TDA7375资料及应用电路图6.gif](/d/file/2013-08-29/edec16b28d1ada4f511ee644ed78ddc0.gif)