本功放元件少、制作简单、音质好,非常适合装入有源音箱内。效果理想,成本也低,适合初学者制作。
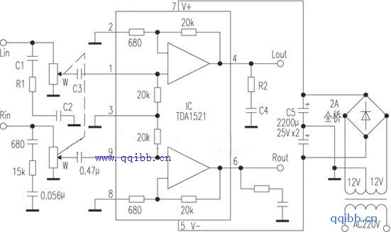
功放IC选用TDA1521,当电源电压为±16V时,输出功率为12W×2,此时失真度仅为0.5%,并具有开/关机静噪功能。本电路装设有等响度补偿电路,用来改善小音量时高低音效果。W是带中心抽头的双联八脚电位器,与C1、R1、C2接成等响度控制电路。电路图见下图。

制作注意事项:
1.TDA1521的散热片绝对不能接地,否则开机必损IC!应在IC与散热器间加云母片绝缘,并加适量导热硅脂,再将散热器接地。
2.电位器W阻值为100kΩ,其外壳需接地。
3.从滤波电容到IC的⑤、⑦脚间电源连线尽量短而粗,可在印板铜箔上堆一层锡。
制作完成后试音,将音量电位器开至最大,贴近喇叭几乎听不出噪声。用CD机来试,连接落地音箱时,与先驱M-850功放比,除功率稍小以外,音质令人满意,表现人声非常清晰,毫不含糊。