集成功放电路TDA7294是欧洲著名的SGS—THOMSON公司推出的一款Hi—Fi大功率DMOS集成功放电路。TDA7294集成功放块制作的三种功放电路。
1.OCL电路
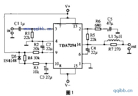
OCL电路图见图1,本电路是用两片TDA7294组成的双声道70W 功放。外围元件少,电路简单,当电源电压为土35V时,在8欧负载上可获得70W的连续输出功率。非常适合30平方米以下的环境放音。整流电路见图4,如音箱阻抗小于8欧,电源电压应相应降低。

2.BTL电路
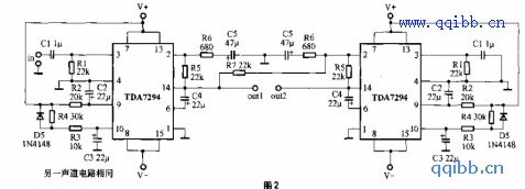
BTL电路见图2,整流电路见图4。利用两片TDA7294桥接组成BTL功放电路,输出功率可达150W 以上,适合歌舞厅等需要大功率的地方,立体声时需要4块TDA7294。 欧姆负载上可获得150W的连续输出功率。当电源电压±35V时,在16欧姆负载上可获得180W的连续输出功率。用TDA7294作BTL功放,负载不得低于8欧姆。

3.恒流功放
恒流功放电路见图3,整流电路见图4。本功放电路与前面两种结构有些不同,其反馈电路为电流取样、电压求和负反馈。这种电路结构就是人们常说的恒流功放,电路的具体分析不作详述,只介绍与传统恒压功放相比后较突出的优点。
①功放输出电流与负载阻抗无关,即使负载短路,也不会造成功放块过热现象。
②输出功率随着负载阻抗的增大而增大,在一定功率储备之内推动扬声器负载,可以很好地保证原来音乐信号的低音力度和高频解析力。
③作用在扬声器音 圈上的力只依赖于电流。用流控振荡方式推动扬声器必然要快于压控振荡方式,使扬声器振动系统④输入、输出阻抗容易做到匹配。恒流功放电路实际上是一个受输入信号电压控制的受控电流源。它的内部反馈电路为电流取样,电压求和负反馈,具有输入、输出阻抗均高的特点。输入阻抗高,正好是前级恒压放大电路所需要的,有利于信号电压无损失地送到功放输入端。而输出阻抗高,能减少内阻对信号的分流,有利于把输出信号电流都加在负载上。图3中,电源电压选择为±35V,其放大倍数由扬声器与R6的比值决定。


