LM3886是美国国家半导体公司出的一款带过压、过高温保护的高保真大功率功放IC,其外围电路简单、制作方便。其性能如下:
VCC=±28V OUTPUT=68W/4Ω、38W/8Ω
VCC=±35V OUTPUT=50W/8Ω
峰值功率:135W
信噪比≥92db
转换率:19V/us
互调失真:0.04%
11脚TO-220封装
静音功能
SPiKeTM保护功能
LM3886有两种型号:LM3886TF和LM3886T,前者散热片绝缘,后者不绝缘。
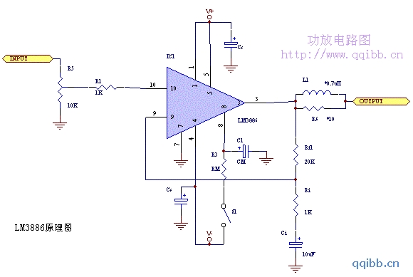
下图为美国国家半导体公司提供的应用电路图:

以下是元器件清单:
R1:1KΩ 1/4W 金膜
RM:33KΩ 1/4W 金膜
Ri:1KΩ 1/4W 金膜
Rf1:20KΩ 1/4W 金膜
R6: 10Ω/3W
L:0.7uH 用Φ1的漆包线在签字笔上饶4圈,取下来就行了
Ci:10uF /35V 钽电容
其余电容一律为100uF/50V 电解电容
电位器为10KΩ指性
下面是PCB图,单面板,自己动手加工很容易的。因为只是纯后级,电位器就取消了;静音常开,开关也取消了;在输出端加入了3Ω/2W的电阻和0.1PF的喇叭补偿电路。下面左图为PCB走线图,右图为元件排列图。


