该电路功率增益10dB,效率大于60%,可向负载提供10W功率。
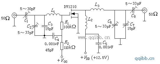
栅极采用并馈,漏极采用串馈。
栅极采用C1、C2、C3、L1组成的T形匹配网络。
漏极采用L2、L3、C5、C7、C8组成的Π形匹配网络。
电路优点:
a.动态范围大(电压可达到几百伏,电流达几十安培),其转移特性线性范围大。
b.输入阻抗高(可达108Ω),要求输入信号功率小,栅偏流小。
c.工作频率高(多子导电,不存在少子储存效应)。
d.漏极电流的负温度系数可以防止二次击穿。
谐振功率放大器可以用作倍频器。如实现n倍频,只要将输出LC回路调谐在nω频率上(ω为输入信号频率)。
