KS—AX5500车载功放电路可分为五大部分:前置音效b理电路、DC—DC逆变电路、开机静音电路、保护电路及i级放大电路等。其中,前置音效处理电路主要对高、中、i音进行提升或衰减,此电路发生故障的比例很小,故省各。
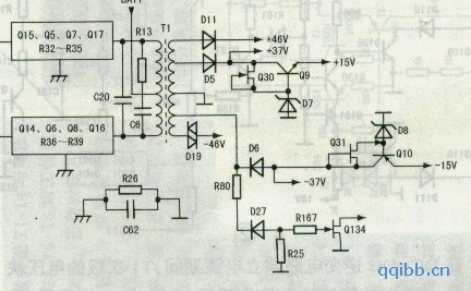
该部分电路见图1,由它激式驱动集成电路TL494uPC494)和并联推挽电路组成DC—DC逆变电路,常用乍车载功放中的供电电路。

在De—DC逆变电路中,+B端接高电平的正极,i,EMOTE为功放启动控制端。开机时,+12V的控制电压圣R42、I)16使Q20导通,控制Q21输出+B电压,简称‘vP电压”,为ICl及91、围电路供电。ICl上电后,其内部的基准电源产生电路输出+5V电压,不但为ICI内的振荡器、吴差放大器供电。还为过热保护电路提供工作电压。ICl内i勺振荡电路输出振荡信号,该信号经ICl处理后,从ICl}勺⑨、⑩脚输出时差不同的正向驱动脉冲,为避免其两路珠冲交替时,上、下两臂的推挽管(Q5~Q8、Q15一Q17)同时导通,ICl④脚91、接R87、R67、R60、C54设定死区时间,一咀驱动脉冲使推挽管导通后,相隔一死区时间。才发出另一组驱动脉冲(④脚电压越高,死区时间越长)。Q21输出拘VP电压,经R50、R51分压后送入ICl的②脚,检测到拘VP电压变化值(在汽车静止时此电压为12V,点火后电压为14V~1 5V)经放大后,调整振荡脉;中的宽度,进而调整推挽管的导通和截止时间,使输出电压稳压在设定值上。
ICl⑨、⑩脚输出时序不同的正向驱动脉冲,经Q1、Q3放大后,分j]lj.3区动上、下两臂并联的场效应开关管。C20、R13、C6用以隔离场效应开关管的栅一源极吸收电路,场效应开关管栅极所接电阻(R32~R35、R36~R39)用以隔离场口付杰效应开关管栅一源极的输入等效电容。Q2、Q4为开关管的灌电流通路,D3、R3、D4、R8为快速放电电路。在场效应开关管导通时,其栅一源极被充电,当驱动脉冲进入截止期间时,输入等效电容通过快速放电电路和Q2、Q4放电,使场效应开关管迅速截止。
当Q1、03使两臂并联的场效应开关管轮流处于饱和、截止状态时,T1次级感应电压经整流滤波后,得到末级功放所需要的+_46v和_+37v电压。其中。_+37v电压还经各自的并联型直流稳压电路。输出_+15v的直流电压,为前置音效处理电路供电及作为末级放大电路中差分放大电路的恒流源。同时,感应电动势经D27整流后,输出一10V电压,作为静音电路的控制电压;感应电动势经D5整流,C63滤波输出+37V电压,Q30的栅极和源极接在一起,满足VGS=0V的条件,Q3()导通,为Q9提供基极偏压,经D7、09稳压输出+15V电压。感应电动势经电源地一负载阻抗一Q10—D6,在D6上形成一37V电压,经Q31为Q10基极提供偏置电压,并经D8、Q1()稳压输出一15V电压。为防止汽车电动机和电源的干扰窜入音频处理及放大电路.前置音效处理的公共地与蓄电瓶的负极(俗称“搭铁线”)是隔离的,而末级放大电路和DC—DC逆变电路的高电压形成电路(即“T1次级电路”)的公共地与搭铁线是通过R26、C62隔离的,为示区别.我们称之为“电源地”。
该部分电路图见图2。在功放+B端和REMOTE端接上电源时。DC—DC逆变电路从建立电源到功放前置、末级放大电路正常工作需要2~3秒时间,如果不设置静音电路,会对喇叭产生冲击。
在DC—DC逆变电路建立电源期间,T1次级的电压快速上升。经D27整流输出的负压经R167、R25分压后。使Q134导通。Q134控制Q133也导通,快速上升的+46V电压经R163、R166分压后对C131充电,Q132截止。+46V f压为Ov,送入末级放大电路输入静音控制管010、Q20l、Q30l、Q401的栅极满足VGS=0V,使其均导通,路前组置音效处理电路输入的信号到电源地。Q138导i后,D37也导通,使Q13()、Q131截止,Q135、Q136导通Q135、Q136导通后,使功放推动管Q109、Q110截止,护功率放大管Q11l、Q112。

随着T1初级电压的建立,当D27输出的负压tQ134的VGS电压上升,达到Q134的关断电压时。Q13截止,Q133截止。+46V电压经R163、R184、R169自Q132导通,Q138截止.Q137截止,一15V电压经R182∞入Q101。使Q101截止。Q138截止后。D37也截止Q135、Q136截止,使功放末级放大电路进入正常的工“状态。