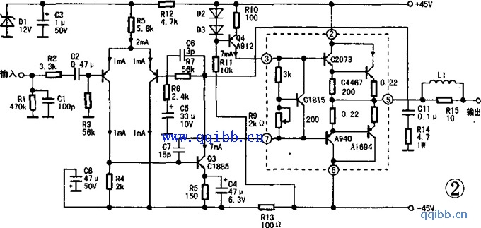
一台日本原装TRIO(天乐)牌KA-7300型功放出现完全无声故障,经查电源保险烧断,用万用表电阻挡测量功放输出厚膜块TA-800W,发现右声道厚膜块供电脚②脚到输出端⑤脚间电阻为0,可见其内部功放管已击穿短路。断开右声道供电,更换保险丝后通电试机,另一声道完全正常。这是一台交流电压为100V的原装进口机,外观、用料、音质均属一流,机主十分喜爱,但厚膜块难以购到,于是根据实物绘出电路图见图1,可以看出这是一个前级为分立元件而后级为厚膜块的OCL功放电路,经测量Q1、Q2差动管完好,电压放大管Q3、恒流管Q4完好,于是决定用分立元件组成输出级修复这台机器,功放管用C4467/A1694或常见的C3280/A1301等Pcm>100W,Icm>10A,耐压大于100V的管子,我采用了C4467/A1694原装三极管,这对管子参数不算太高,但配对十分准确;推动管选用了常见的C2073/A940对管,为了保证是正品和配对,采用了彩电上的拆机场输出管。由于电路元件较少,将功放管通过绝缘膜分别固定在原大型散热器上,其余元件以功放管为基础,采用搭棚焊的方法,然后用5条导线对应接到原来厚膜块在PCB板上的②脚(正电源)、⑥脚(负电源)、⑤脚(输出端)、③、⑦脚(输入端)即可。坏厚膜块拆除后C9、C10已无作用,可以焊下来也可以不管它,改装后的电路见图2。最后将R9调到最大值,在c4464的集电极串入电流表,调节R9使输出级的静态工作电流为20mA左右,至此维修成功,经实际试听,音质很好,工作也十分稳定可靠。

