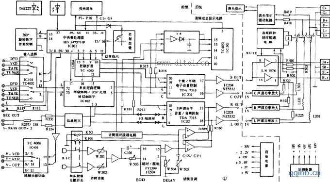
奇声AV-747DB型AV功放机是采用前后级分体式结构。前级以HD6473714P(单片机)微处理器作控制中心,采用大规模集成电路M62460FP为杜比定向逻辑环绕声解码器PRO.LOGIC和数字环绕声场效果DSP处理的核心,采用TDA7315控制主声道(L、R)、中置声道(C)、环绕声道(S)的音量、音调调节。该机除卡拉OK系统以外的所有功能实现了全数字化控制和遥控控制。由于采用了荧光显示屏作操作指示,人机对话功能大大增强,使操作变得非常简单明了。后级对L、R、C、S各声道进行独立的功率放大,输出功率强劲。其输出保护电路具有开机静噪、过流保护、过压保护和输出短路保护等功能。该机的卡拉OK电路采用了PT2399回响集成电路,对人声的表现较为出色,并分别设计了话筒音量、音调和混响深度、延迟时间等控制电路,使用者可以根据自己的喜好进行调节。其前/后级电源电路中几乎每个绕组都安装了保险管,保证了整机安全。该机还附设了超重低音线路输出和两路视频选择切换功能,使用起来十分方便。
AV-747DB型AV功放机原理方框图

下面介绍AV-747DB功放的信号流程及工作原理。从信号源来的L、R音频信号,由IC101(TC4052)的双路8通道电子选择开关选取后,从③脚、{13}脚出来,分两路走:一路经R112、R119隔离后,作录音输出;另一路从IC102(M62460FP)的{72}脚、{73}脚进入声场处理电路。
M62460FP是一块有80只脚的超大规模集成块,内含PRO·LOGIC解码、DSP声场处理、数字延时处理、杜比降噪、序列噪声测试(TEST)和电子开关控制等多种功能电路,可完成对BY-PASS(信号直通)、PRO·LOGIC、3STEREO(杜比三声道立体声)和DSP等处理方式的选择。在PRO·LOGIC状态下,控制其S、C、R、L的输出状态和信号成分,可以对中置声场进行NORMAL(普通)、WIDE(宽广)、PHANTOM(幻像)等模式的转换,同时能对环绕进行15~30ms的延时时间调整。在DSP状态下,控制内部的电子开关,能选择HALL(大厅)、MUSIC(音乐厅)……等八种声场模式,且能进行15~50ms的延时调整。
L、R音频信号通过M62460FP处理后,产生中置(C)、环绕(S)信号,从⑤脚、⑦脚输出(在直通状态时,C、S声道无输出),这两路信号被送入IC202(TDA7135)进行音量控制,同时经R315、R316送到音频动态显示电路。另外,经过处理的主声道R、L信号从IC102的②脚、③脚输出,然后分三个方向传送:(1)经低通放大后,剩下150Hz以下的超重低音信号(S-BASS)经R235、R236隔离、混和,进行线路输出,供使用者选用。(2)经R313、R314送往音频动态显示电路。(3)经均衡器(EQ)输出、输入接口后,从IC201(TDA7315)的⑥脚、{11}脚进入音量、音调调节电路。
TDA7315是一块专业型音量、音调、平衡电子调节集成块,采用总线控制技术,可以对两路信号的音量、等响度(LOUD)和高、低音音调(TREBLE、BASS)、左右平衡度(BALANCE)进行调节。其内部还包括电子静音开关MUTE,所以能方便地实现各声道的静音功能。该机中置、环绕只使用了音量调节和静音开关,其它均为固定方式。主声道则采用了其全部功能。
R、L和S、C信号经音量、音调调节电路后,分别从IC201、IC202两片集成块的{17}脚、{16}脚输出,再通过NE5532放大,经音频同轴电缆线传输到后级。R、L信号在输出放大前还叠加了来自卡拉OK系统的信号。
音频动态显示电路由信号平滑电路和信号取样电路组成。R、L信号和C、S信号被分别放大、整流、平滑后,变为代表原信号动态幅度的平滑信号,送往取样电路的R、L信号从IC302(TC4051)的{13}脚、{14}脚进入。因为显示屏上把C、S声道合在一段进行动态显示,所以在此把C、S的信号混合成一路,从IC302的{15}脚进入取样电路。IC302受CPU控制,以18ms/次的速率,对{13}、{14}、{15}脚提供的信号进行逐次扫描取样,从③脚取出,送到IC801的{11}脚,再经CPU处理后驱动显示屏显示。
两路话筒(MIC)信号经前置放大后,其信号幅度分别由W501和W502音量电位器来控制。为补偿音量控制电路的信号损耗,两路混合后,又一次进行放大。然后经C106及低通网络进入IC504(PT2399)的{16}脚,经低通放大后,分两路传输:一路从IC504的{15}脚直通输出,另一路经A/D转换、数字延时、D/A转换、低通放大等处理后从{14}脚输出,经电位器W503、C106又回到{16}脚,这样周而复始地循环延时,从而产生回声。W503可以控制回响信号的衰减量,用以调节混响深度(ECHO)。另外,调节IC504②脚外接的W504可以控制延时时间(DELAY),以便调出自己喜爱的效果。处理过的话筒信号经再次放大分两路走:一路经话筒音调调节网络后又分两路进行输出,经射随器隔离后,与主声道的R、L信号叠加;另一路则进入话筒静噪电路。
为避免不插话筒时卡拉OK系统的电噪音进入主声道,影响主声道的音质,以及插入话筒插头时产生“砰”的冲击噪声,该机设计了话筒静噪电路,由话筒延时接通电路和插头控制互锁开关组成,且由话筒插头进行控制:当没有插入话筒插头时,K501、K502常闭接通,其中K502把卡拉OK电路的信号通路直接接地,而K501提供的接地电平,则使延时接通电路的电子开关接通,也把卡拉OK通道接地,同时还使IC801(CPU)的{12}脚为低电平,显示屏中的话筒符号不点亮。当插入话筒插头时,K501、K502在插头的顶碰下断开,IC801的{12}脚被抬升为高电平,显示屏中话筒符号点亮。此时,延时接通电路中的电子开关被时间电容控制,仍继续接通,话筒电路无输出。电容放电一段时间,当其两端电压低于电子开关控制端的门坎电平时,开关断开,卡拉OK电路正常输出。
AV-747DB前级用HD6473714P作中央微处理器,采用总线控制技术,使得各种功能的实现变得非常的容易、简单、可靠,也大大简化了各个控制电路。
和彩电的微处理器电路一样,AV-747DB的人工控制指令主要来自红外遥控器和本机控制按键:红外遥控信号经接收头接收、整形处理后,从IC801的{27}脚进入微处理器。按键控制信号从{15}、{16}脚进入微处理器。
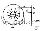
该机采用了360°双向旋转控制机械式脉冲发生器进行音量控制。当顺时/逆时针方向旋转时,{13}、{14}脚不断地与地端接通、断开而获得脉冲信号。如图2所示,由于A、B两定臂与旋转盘的接触点不在同一个半径轴线上,因此在扭动旋转盘时,无论向那个方向,肯定有一个先与地接通/断开,从而使{13}、{14}脚所获得的脉冲在时序上有先有后,微处理器就是根据这两路脉冲的时序先后来确定音量是增大或减小。另外,扭动旋转盘的角度越大,A、B两定臂与地接通/断开的次数就越多,{13}、{14}脚获取的脉冲个数就越多,微处理器就是根据这两路脉冲的多少来确定音量提升/降低的级数的。

微处理器IC801将各种指令和状态信息处理后,一边驱动荧光显示屏进行相关信息的显示,一边输出到各个被控制电路实现各种功能。由于IC801的I/O接口不够,又增加了IC802作为接口扩展,以满足各种要求。
L、R、C、S四个声道的信号进入后级后,各声道被独立地进行放大。其中S声道进入后级后一分为二,分别放大后直接输出;L、R、C声道经L201、L101、L301输出,受继电器J控制后,推动扬声器发声。
根据杜比技术要求,以杜比定向逻辑环绕的宽频方式工作时,中置声道须与左右声道一样,有足够的低音音量。所以,R、L、C三个声道均采用分立元件组成的超大功率放大电路,共采用5对2SC5198/2SA1941大功率管进行功率放大。在专业大型散热器和大功率供电系统的配合下,额定输出最大不失真功率达85W/8Ω×3(在直通状态下,最大不失真功率可达120W/8Ω×2),使这三个声道具有很宽的动态范围。
因为看影视片时,节目中的声源主要在前方,后面的环绕声一般只起声场定位和背景音效播放的作用,所以其功率不需太大,但也不能太小。该电路采用了功率集成电路LM1876作环绕声道的功率放大。LM1876的额定功率有30W/8Ω×2,具有过流、过压、过热保护和静音功能,能进行自我保护和音箱保护,性能稳定,安全可靠。S声道信号从LM1876的{13}脚、⑧脚进入放大器,经功率放大后从①脚、③脚作左右环绕输出。
为了消除开机冲击声和避免在功率放大级出故障时损坏用户昂贵的音箱,或用户不小心短路音箱线而损坏功放等现象的发生,AV-747DB设计了完善的保护电路。在开机时,保护电路的延时电路控制继电器延迟吸合接通,同时使LM1876静音一段时间,这样,开机时供电电路所产生的冲击信号就不能输出到音箱。图1中的R125、R225、R323为过流(或音箱线短路)检测电路的输出电阻,R501、R502、R503为中点电位监测电阻。当R、L、C声道中有一路出现过流或中点偏离地电位等现象时,保护电路迅速释放继电器,切断功率输出线路,从而保护音箱和功放。
AV-747DB后级采用两只大的指针表做R、L声道的动态指示,以增加外观的美感。其驱动信号从R、L声道靠近输出接线柱处取出,经R418、R419进入驱动电路。信号在驱动电路中经衰减、箝位、平滑等处理后,变成代表R、L动态变化的信号,驱动表头指示。
AV-747DB的电源电路提供的电压类别较多,但由于前级采用了7812、7805、7809、7912等三端稳压集成块,电路较简洁;后级采用两个300W环形变压器供电,其整流、滤波电路则与其他功放的电源电路类似。