接修一台先锋1490功放,出现声小且失真故障,经询问知由于用户使用不当将A声道输出短接而烧毁A声道。
在未经任何检查的情况下,在A声道推动管A968、C2238、功率管A1302、C3281被烧毁后,再次开机导致A、B两声道器件全部烧毁。再更换推动管、功率管又出现前述故障。
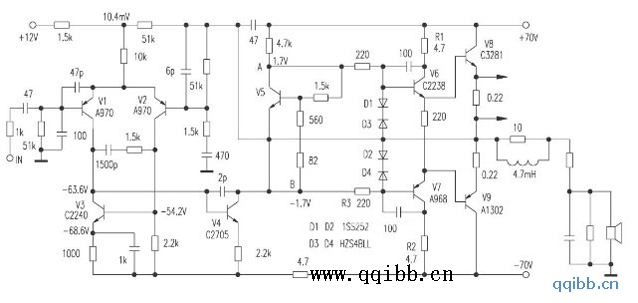
该功放因无线路图,经查资料绘出线路图如下。
打开机壳,从功放板外观上观察不到任何元件烧毁的痕迹,因为功放短路损坏,电压放大级损坏的可能性很小,所以重点从后级查起。
将A、B两声道推动管、功率管焊下测量无损坏。开机测A声道A、B两点之间电压为0伏,正常应该为2.2伏,测D1、D2、D3、D4全部击穿,D1、D2型号为1SS252可用1N4148代换,D3、D4为HZS4BLL可用国产12V稳压管代换;测R2、R3断路,用国产1/4W金膜电阻代换;测V5未损坏。接通电源,开机测前级电压基本正常(与图中所标示值大致相符)。A、B两点之间电压应为2.2V(如不是,请重新检查前级元件),对地电压应为45V左右(因未负反馈缘故)。同样将B声道检查代换完毕。
将A、B两声道装上推动管(用A940、C2073代换)、功率管(用A1302、C3281),在功率管集电极上串加5Ω/2W保护电阻(防止意外损坏功率管,这一步不能忽略),开机测量两声道各点电压基本正常,各元件无发热现象,关机拆去保护电阻。
另外本机保护电路也被烧毁,因其电路比较常见,可参照其他保护电路修复,在此不再赘述。
