用6P33电子管制作的立体声功率放大器

📅 发布时间:2013-03-09 18:24 👁️ 浏览:0 🏷️ 标签: 6P33 电子管 功率放大器 立体声

   合并式立体声功放所选电路通用性很强,制作者可根据自己的要求,采用超线性接法、三极管接法与标准式接法,所用功率电子管亦可根据所需功率大小,分别选用6P3P、6L6、EL34、6CA7、KT88、6550等。

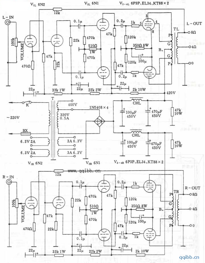
图1是用6P3P功率管构成的立体声功放电路图。

   通用型底板上的布局共分为三排,最后一排中间为电源变压器,为防止电磁干扰,采用座式安装。左右两边为左右声道输出变压器,采用立式安装。中间一排为左右声道两对推挽功率放大管;最前一排为左右声道输入管与倒相推动管。

   底板前端为电源开关与左右声道音量控制电位器,底板后端为交流电源进线与左右声道输出接线端子。该底板也可用于其他类似电路。

   图1的合并式立体声功放是著名的超线性电路。本电路取自美国《Audio》杂志上发表的原电路、本电路具有保真度高,频率响应宽,输出功率大的特点。其推挽功放级的工作状态为AB1类,采用自偏压供给方式。该机装配与调试方便,成功率高。

   当推挽功放管采用KT88、6550、KT100时,其输出功率可达60w+60W;如推挽功放管采用EL34、6CA7时,其输出功率为40w+40w;如推挽功放管采用6P3P、6L6时,其输出功率为30W+30W。

   超线性功率放大器的显著特点是输出管有帘栅极反馈,因此具有威廉逊放大器高保真输出的优点,同时又具有标准功放输出接法的高效率的特点。可谓做到了两全其美。

   超线性功放的输出变压器上连接帘栅极的抽头位置,应根据阻抗比0.18来计算,所以线圈的匝数比为它的平方根,即约等于0.43。根据所采用的功放管不同,其功放管屏极电压一般取380~500V之间,屏至屏的负载阻抗宜选为5000Ω至6500Ω。

   为了使推动级有足够的输出电压,本机的推动放大级采用中放大系数双三极电子管担任,两管的屏极电压保持在150~200V之间。同时为确保推动级放大信号的高品质,其两管阴极加有较深的负反馈,确保能输出失真小的信号电压。本机的推动信号峰峰值电压可达到40~55V。这样功放管栅极即能取得-16V以上的负电压,从而能保证功放级达到满功率的输出。

   输入管与倒相管采用直接耦合的方式,这样可以减小输入信号的相位失真与频率失真,同时也提高了输入阻抗,扩展了输入级的动态范围。输入级可选用普通的双三极管如6N1、6N2、6N11、6DJ8等,因三极管的内阻较小,屏流与跨导值较大,这样屏极特性曲线的线性范围也较宽。

   本机所采用的为屏阴分割式倒相电路。输入管阴极与输出级之间均加有负反馈,一般反馈量控制在10dB左右。

图2为合并式立体声功放通用型底板图

图3是图1电路的布线示意图

觉得这篇文章有帮助吗?