这是输出变压器和电源变压器,输出变压器是用西电铁芯绕制的,电源就用上了美国的HP变压器的铁芯,大家可从图中看到输出变压器是分层分段处理,输出变压器分层分段处理就很正常,但我的电源变压器也是这样处理的,结果……好处是其电容大大减小。

正在装元件的后级

基本装好的后级,左面的开关是作为全机电源的开关,而右面的开关只是作为高压的开关。

装好了的元件布线图,大家可以看到全部的线材全都扎住了,大家在制作胆机时一定要将线材固定,固定后的噪声有一定的减低。

图中的电阻电容待全机稳定后更换,图中的电阻是用普通的电阻,电容是用小日本的电容,除了高压滤波电容使用ROE外。手头上有些好的SPRAGUE的电容要等到本机的胆管稳定后再换上去直达到自己心中认为的至美。

装上桂光的KT66后级

正在测试的后级,后面的是信号发生器,下面的CD唱机就是马兰士-650,拍照此图片时正在测量噪声电压,此机的噪声电压为0.4mv/8欧姆(在输入空载时)。

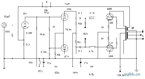
KT66后级全景。本机的电路如下:12AX7+12AU7+KT66

这是本机的线路图
