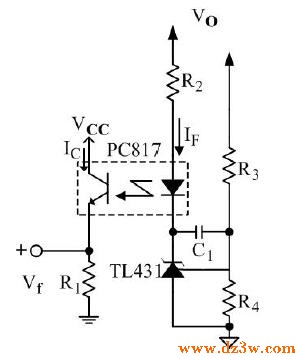
电源反馈隔离电路由光电耦合器PC817以及并联稳压器TL431 所组成,如图1所示,其中R2为光耦的限流电阻,R3 及R4 为TL431 的分压电阻,C1 作为频率补偿之用。光电耦合器的限流电阻R2 可由下式求得

式1
其中 VF 为二极管的正向压降, IF 为二极管的电流。
若PC817 之耦合效率为η ,则所产生的集极电流IC 会与IF 之间关系式为:
IC =η . IF 式2
此时反馈电压信号为:
Vf =Ic .R1 式3
输出电压Vo ,则由TL431内部2.5V之参考电压求得:
式4

图1电源反馈隔离电路图