用CD4066、CD4043构成的十位按键密码开关电路

📅 发布时间:2013-09-25 10:55 👁️ 浏览:5 🏷️ 标签: CD 4066 4043 按键

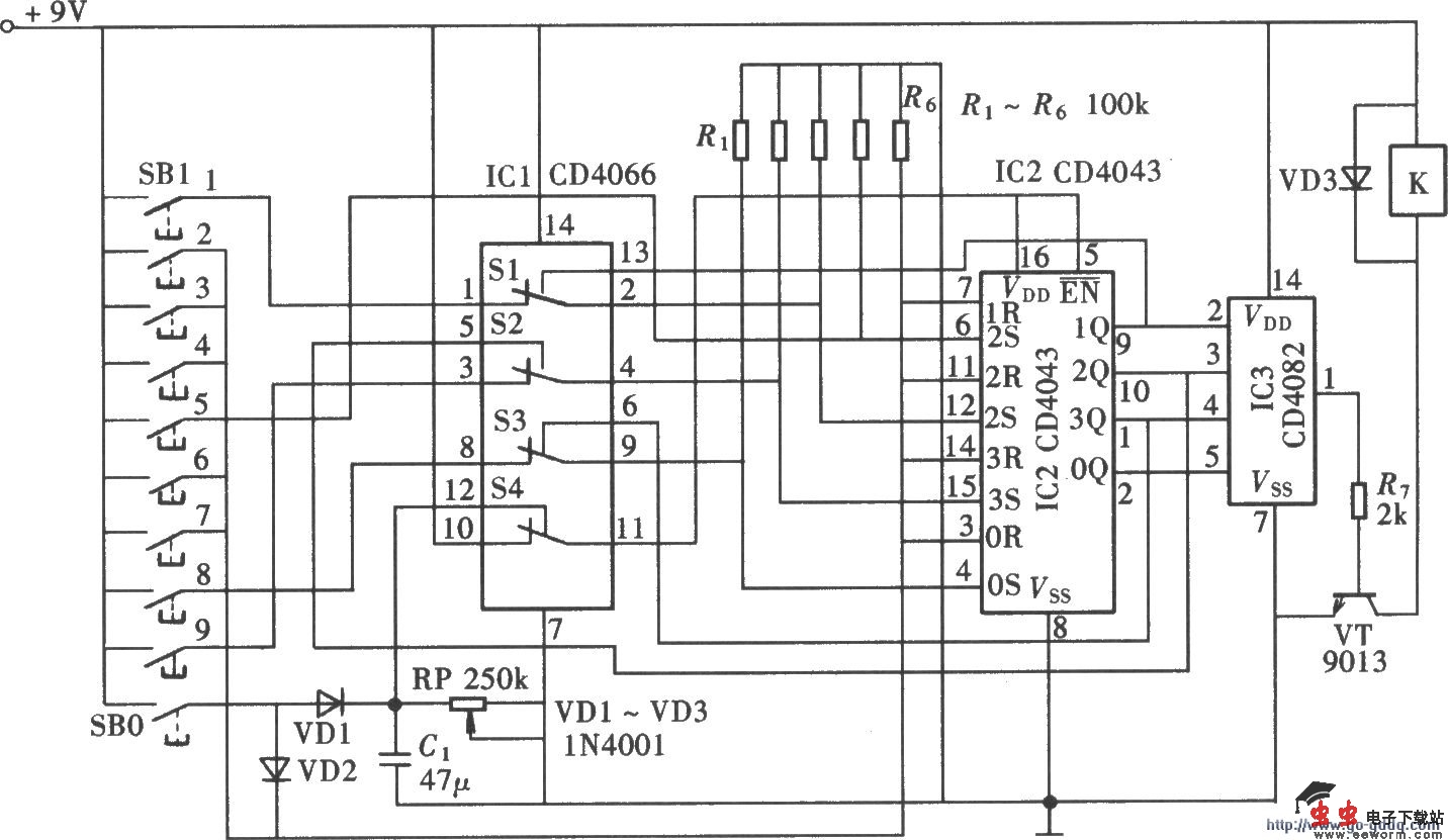
十位按键密码开关(CD4066、CD4043)

如图所示的密码开关共设l0个按键,其中有5个有效按键,其余5个为伪码按键,伪码按键具有复位功能,所以该密码开关有很好的保密性,其电路组成如图所示,由密码输入按键、密码形成与输出电路、控制与执行电路组成。

觉得这篇文章有帮助吗?