用CD4013、CD4017组成的十位数字密码开关电路

📅 发布时间:2013-09-25 10:45 👁️ 浏览:6 🏷️ 标签: CD 4013 4017 数字

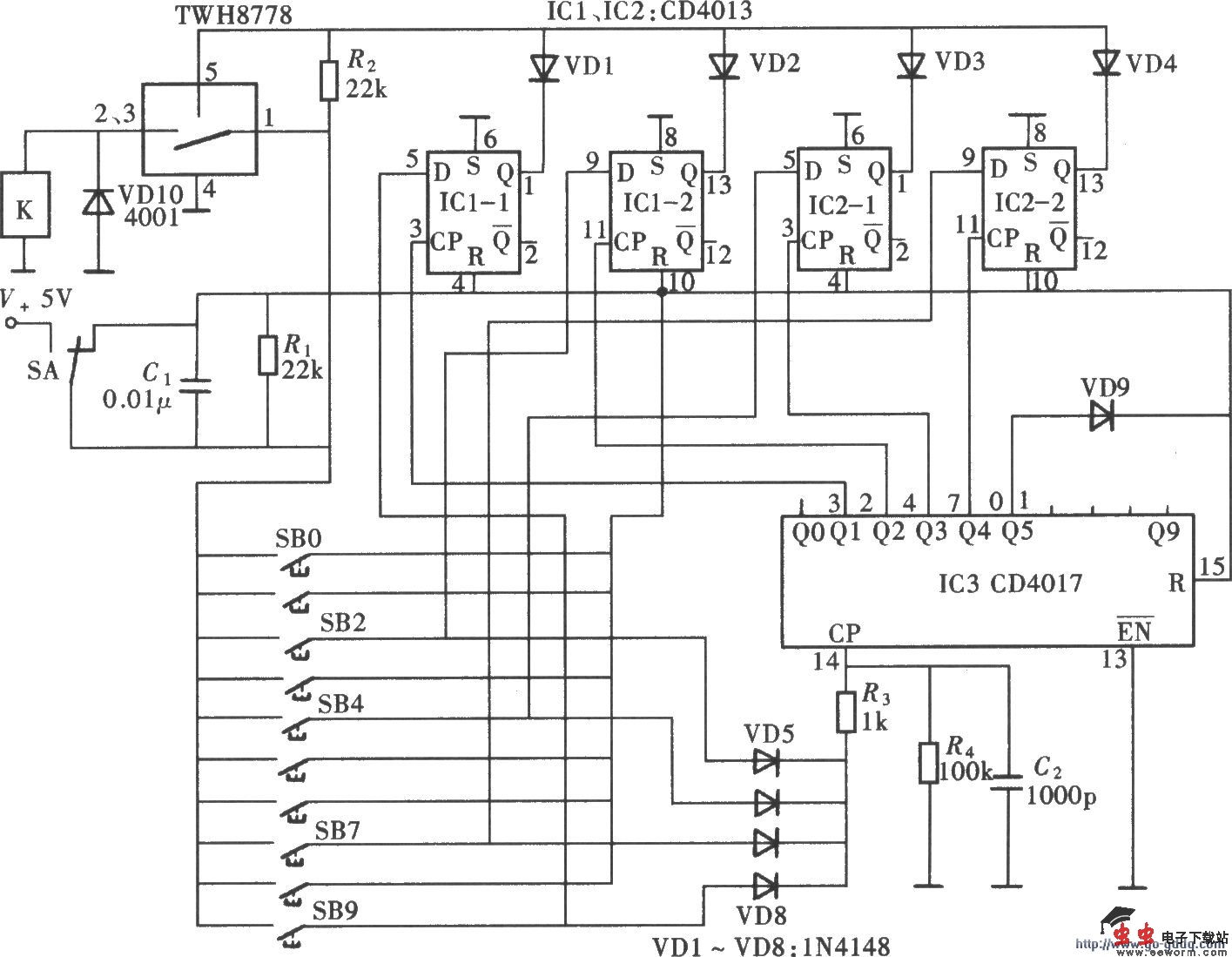
十位数字密码开关(CD4013、CD4017)

如图所示的十位数字密码开关共设l0个按键,其中4位按键为有效按键,6位按键为伪码按键。电路由密码输入开关、密码形成与输出电路和控制开关组成。

觉得这篇文章有帮助吗?