⭐ 欢迎来到虫虫下载站! | 📦 资源下载 📁 资源专辑 ℹ️ 关于我们
⭐ 虫虫下载站
🔐 登录 📝 注册
虫虫下载站
虫虫下载站
专业电子工程师资源平台
📤 上传资源
  • 🏠 首页
  • 📦 资源下载
  • 📁 资源专辑
  • 🔧 热门软件
  • ⭐ 精品资源
  • 🎓 基础知识
  • 📐 电路图
  • 📚 电子书
  • 🔢 在线计算器
  • 🔍 代码搜索
🏠 首页 › 📐 电路图 › 信号发生

📐 信号发生

📊 共 753 个电路图 🎨 设计参考
正斜坡振荡器电路图

正斜坡振荡器

📅 01-01 查看 →
具有线性/对数扫描的正弦波一方波一三角波振荡器电路图

具有线性/对数扫描的正弦波一方波一三角波振荡器

📅 01-01 查看 →
0.5~1MHz正弦波一方波一三角波振荡器电路图

0.5~1MHz正弦波一方波一三角波振荡器

📅 01-01 查看 →
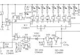
单片函数发生器NE566V电路电路图

单片函数发生器NE566V电路

📅 01-01 查看 →
2.5Hz~250kHz方波一三角波振荡器电路图

2.5Hz~250kHz方波一三角波振荡器

📅 01-01 查看 →
60H脉冲发生器电路电路图

60H脉冲发生器电路

📅 01-01 查看 →
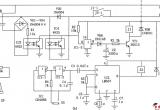
上海新时过电梯控制柜(SM-01-C 变频器)电路图

上海新时过电梯控制柜(SM-01-C 变频器)

📅 01-01 查看 →
上海新时达电梯控制柜(PLC 变频器)电路图

上海新时达电梯控制柜(PLC 变频器)

📅 01-01 查看 →
单结晶体管可控脉冲发生器电路图

单结晶体管可控脉冲发生器

📅 01-01 查看 →
间歇振荡器控制晶间管电路电路图

间歇振荡器控制晶间管电路

📅 01-01 查看 →
电话机电子锁电路图

电话机电子锁

📅 01-01 查看 →
温度调量用电阻—频率变换器电路电路图

温度调量用电阻—频率变换器电路

📅 01-01 查看 →
可选分频系数的延时电路电路图

可选分频系数的延时电路

📅 01-01 查看 →
1~99分频(倒计数或倒计时)电路电路图

1~99分频(倒计数或倒计时)电路

📅 01-01 查看 →

具有固定分频系数的延时电路

📅 01-01 查看 →

74LS292组成的可编程分频器延时电路

📅 01-01 查看 →
高精度长延时定时控制器(CD4060、CD4017)电路图

高精度长延时定时控制器(CD4060、CD4017)

📅 01-01 查看 →
长时间计时器电路电路图

长时间计时器电路

📅 01-01 查看 →
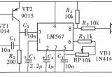
频率式电子密码锁(LM567)电路图

频率式电子密码锁(LM567)

📅 01-01 查看 →
高频无稳态电路电路图

高频无稳态电路

📅 01-01 查看 →
电扇的自然风模拟和乐曲伴唱控制电路电路图

电扇的自然风模拟和乐曲伴唱控制电路

📅 01-01 查看 →
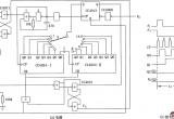
16选1视频切换电路原理图电路图

16选1视频切换电路原理图

📅 01-01 查看 →
利用电阻来提高截止频率(宽带应变信号调理器1B31)电路图

利用电阻来提高截止频率(宽带应变信号调理器1B31)

📅 01-01 查看 →
负阻发光二极管振荡电路电路图

负阻发光二极管振荡电路

📅 01-01 查看 →
感光式振荡电路电路图

感光式振荡电路

📅 01-01 查看 →
频偏测量电路电路图

频偏测量电路

📅 01-01 查看 →
发光二极管用的1.25w脉冲发生电路电路图

发光二极管用的1.25w脉冲发生电路

📅 01-01 查看 →
电枢检查仪中的同步脉冲发生电路电路图

电枢检查仪中的同步脉冲发生电路

📅 01-01 查看 →
小型氦氖激光演示仪电路电路图

小型氦氖激光演示仪电路

📅 01-01 查看 →
人体反应速度测试器电路图

人体反应速度测试器

📅 01-01 查看 →
  • 首页
  • « 上一页
  • 1
  • 2
  • 3
  • 4
  • 5
  • 6
  • 7
  • 8
  • 9
  • 10
  • 下一页 »
  • 末页
🔐 用户登录
加载中...

加载登录表单中...

🎁 免费注册送10积分
加载中...

加载注册表单中...

🔑 找回密码
加载中...

加载表单中...

🔐 需要登录
🔒

登录后即可使用!

🎁 新用户注册立即送10积分
积分可用于下载资源,免费获取优质技术资料
🚪 退出登录
👋

确认要退出登录吗?

退出后需要重新登录才能下载资源

关于虫虫

虫虫下载站是专业的电子工程师资源分享平台,汇聚 622,478+ 优质资源,为工程师提供免费、专业的技术资料。

🌐

快速链接

  • 📦 资源下载
  • 📁 资源专辑
  • 📐 电路图库
  • 📚 电子书籍
  • 🧮 在线计算器

帮助中心

  • 📋 服务条款
  • ℹ️ 关于我们
  • ⚠️ 免责声明
  • 🗺️ 网站地图

联系我们

扫码关注我们

虫虫下载站二维码

虫虫小帮手

© 2011-2025 虫虫下载站 - 专业的电子工程师资源分享平台 | 让技术资源触手可及

京ICP备2021023401号-1