利用电阻来提高截止频率(宽带应变信号调理器1B31)

📅 发布时间:2013-10-01 17:20 👁️ 浏览:2 🏷️ 标签: 1B31 电阻 截止频率 宽带

利用电阻来提高截止频率(宽带应变信号调理器1B31)

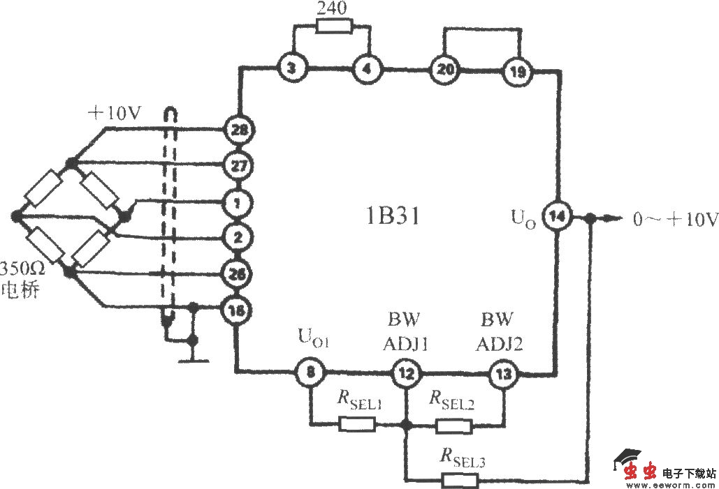
通过三只外接电阻可使截止频率从1kHz提高到20kHz,以满足宽带应用的需要。电路如图所示。

电阻值的计算公式如下:

利用电阻来提高截止频率(宽带应变信号调理器1B31)

利用电阻来提高截止频率(宽带应变信号调理器1B31)

式中,RSEL1~RSEL3的单位取kΩ。此外,还可以根据下表来直接选取电阻值。

利用电阻来提高截止频率(宽带应变信号调理器1B31) 

觉得这篇文章有帮助吗?