正弦波振荡器的设计与制作

📅 发布时间:2013-10-11 18:10 👁️ 浏览:9 🏷️ 标签: 正弦波振荡器
在进行音频放大器的调试等需要低失真正弦信号的场合,有一台正弦波发生器是很必要的,这次的设计制作可达到这一目的。正弦波振荡电路有多种,但常用的是文氏电桥振荡器,图1是其原理简图。在运放的同相输入端由RC滤波器构成正反馈,其谐振频率决定了振荡器的振荡频率f =1/2πRC;在运放的反相输入端,由电阻构成负反馈,R1/R2的比值决定了振荡波形。在正反馈回路中R相等及C相等时,放大器的增益等于3,电路起振,即R1 =2R2。如果R1<2R2,电路将停振;而R1>2R2,输出波形的顶部将被压缩为平顶。故对于文氏电桥振荡器,要求增益稳定。常用的稳定办法是采用灯泡代替电阻R2,或用负温度系数热敏电阻代替R1。采用灯泡的原理是:如果电流增大[输出输大],则灯丝的电阻变大,使负反馈量增加而降低增益。采用负温度系数热敏电阻的原理是:电流增大,热敏电阻的阻值变小,结果也是使负反馈量增加而降低增益。
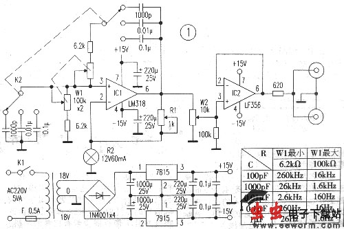
    这台正弦波振荡器的设计目标是:频率范围20Hz~20KHz,分三个波段连续可调。整机电路见图2。
    用作振荡器的运放,其振荡频率最好在运放频率参数的十分之一较为可靠。这里采用频带宽度达15MHz的单运放LM318,有条件的话可用八脚金封的,不过笔者采用的是双列直插(DIP)塑封的集成块。
    增益稳定采用了12V、60mA的小电珠,其电阻值为12÷0.06=200Ω。根据前述的起振原则,R1=2R2=400Ω,考虑到调整余量,R1选用1kΩ的微调电阻。
    振荡频率由双刀五位波段开关(只用三位)分别接入不同倍率的电容分三段粗调,频率细调用同轴双连电位器W1调节。
    振荡器的输出幅度用电位器W2调整,再经缓冲器分两路输出,以隔离振荡电路和被测电路,使振荡频率不受被测电路输入阻抗的影响。缓冲器用单运放LF356接成跟随器。
    电源由三端可调稳压集成电路7815和7915分别提供+15V和-15V电压供电。
    本电路元件选择:振荡电容器要选用薄膜电容,耐压均为50V,容量需用数字电容表选择,误差越小越好;频率调整电位器W1选用金属壳密封双连电位器,阻值变化特性为直线性(型号后缀“X”),在购买时缓慢旋转电位器轴,测量各位置的阻值,两连的阻值应基本相同;如某一位置的阻值相差较大,则不能使用。
    电路组装好后,通电工作几小时,即可调试及刻度。首先用示波器测量发生器输出端的波形,在各档位及W1的各位置,都应有完整波形的正弦波输出,,不能有停振点或平顶波形出现,否则应微调R1。在没有示波器的场合,可在发生器输出端接一5V(或10V)交流电压表,调整R1使电压表刚有指示,然后反方向微调一点R1,使电压表在整个频率范围均有指示即可,否则应重复上述步骤。
    刻度方法仍采用频率表和等分圆周图,逐档测量并列出频率和格数对照表,绘出频率刻度盘。本发生器的实测频率范围见附表(实际制作时只选择了中间三档),最高输出电压5VRMS,失真率在负载电阻1K、输出1VRMS、20Hz~20KHz范围时为0.25%~0.5%。如需要扩大频率范围,可自行添加电容器;本电路最高振荡频率可达400KHz,但失真率达到3%。
 
觉得这篇文章有帮助吗?