晶体管铃流发生器

📅 发布时间:2013-10-08 02:20 👁️ 浏览:3 🏷️ 标签: 晶体管 发生器 铃流

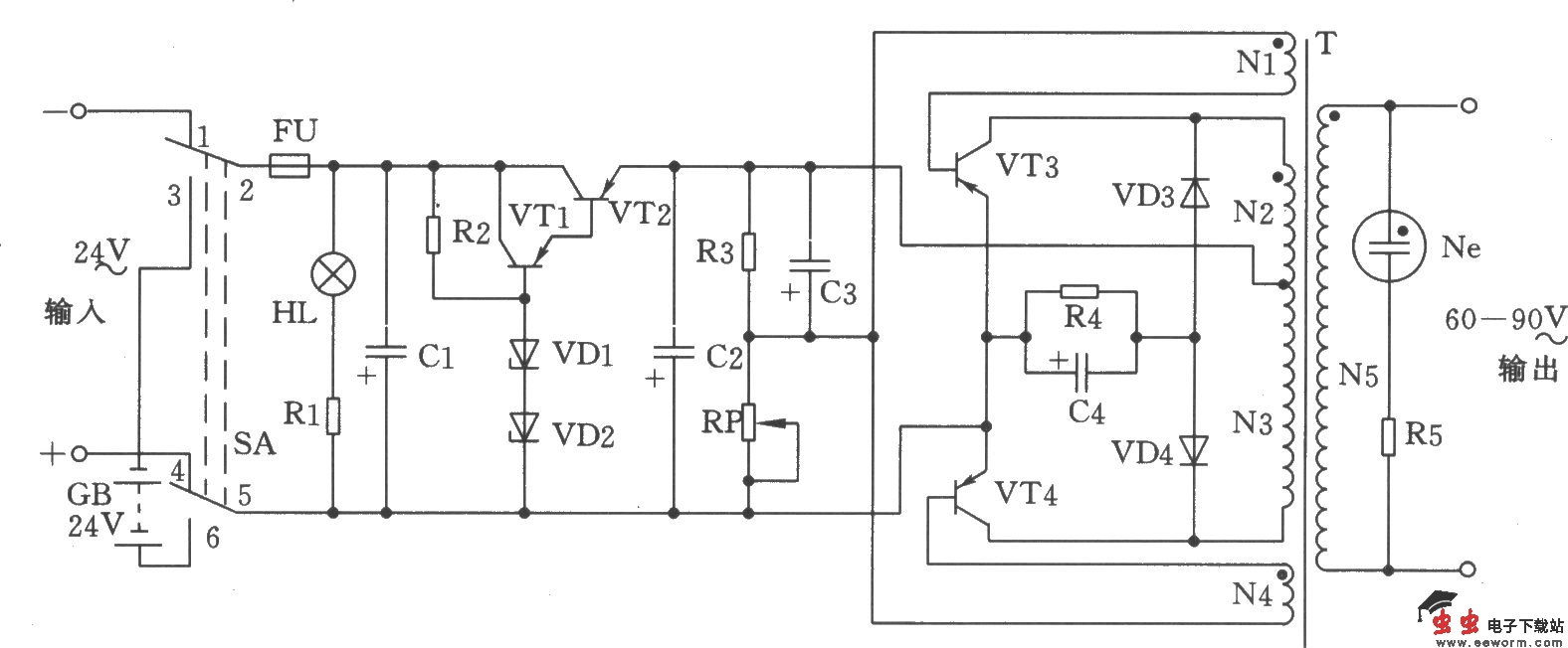
晶体管铃流发生器是将直流电压24V变换为60~90V的交电铃流电压,用来供给通讯设备的振铃之用,如载波机、高频终端机、有线电话等。

1.技术性能

(1)输入电源:直流24V±10%;

(2)额定输出:60~90V之间交流;

(3)频率:20Hz±5Hz;

(4)工作条件:温度为 5℃~ 40℃,相对湿度≤80%的环境下,可以24小时连续使用。

2.元器件选择

电容Cl、C2选1000μ/50V,C3选200μ/50V,C4为10μ/150V。电阻Rl为200Ω、1/2W,R2为1kΩ、lW,R3为3.6kΩ、2W,R4为5.1kΩ、lW,R5为20kΩ、1W,以上均为金属膜电阻。电位器RP为33Ω、lW。稳压二极管VDl为2CW75,VD2为2CW73。二极管VD3、VD4为2CPl3。三极管VTl为3AD638,VT2、VT3为3AD30C。信号灯HL用XDX-24V、0.5A,氖灯采用NH0-4C(60V、lmA)。电源开关SA为KN3-3(双刀双掷开关)。保险FU为BGXP-1型2A熔管。变压器T采用硅钢片材料,铁芯截面积38×45mm2。Nl、N4为Φ0.25mm高强度漆包线绕制39匝,N2、N3用Φ0.49mm高强度漆包线绕制l89匝,均双线并绕。N5线径Φ0.35mm高强度漆包线绕制840匝。

觉得这篇文章有帮助吗?