450音频信号发生器

📅 发布时间:2013-10-08 01:45 👁️ 浏览:3 🏷️ 标签: 450 音频信号 发生器

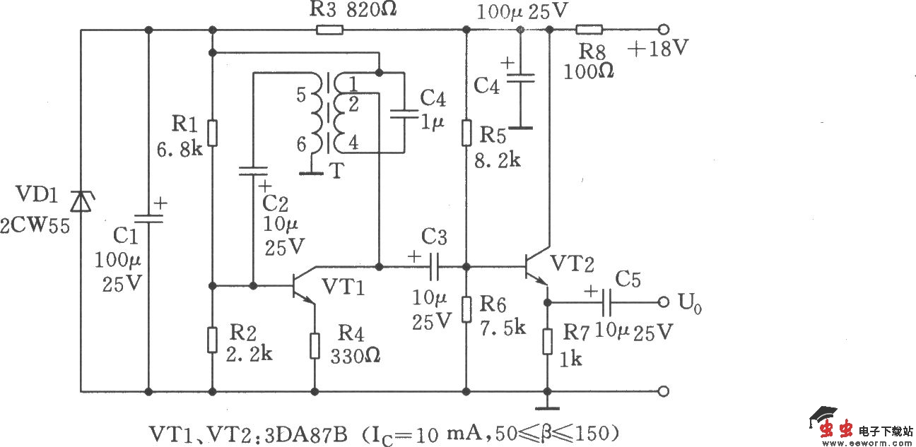
该振荡器是通讯机用户服务信号源。工作原理如图所示。它由VTl、VT2等相关元器件组成。VTl利用变压器T耦合产生振荡信号,VT2为共集电极电路起缓冲放大,射极输出。T变量器1—4绕组和C4电容组成选频网络。为防止T磁饱和,T由1—2抽头接至VTl的集电极,T的5—6是反馈线圈。检测:各管脚对地直流电位(参考值)如表所示。

觉得这篇文章有帮助吗?