低频信号发生器(2Hz、4Hz、60Hz、120Hz等)

📅 发布时间:2013-10-08 01:25 👁️ 浏览:3 🏷️ 标签: Hz 2Hz 120 4Hz

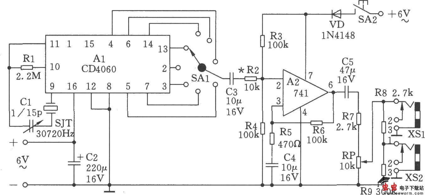
低频信号发生器可用于测量放大电路的灵敏度、频率响应、频率补偿、音调控制,也可用于低频放大器的修理,是十分有用的测量仪器。它还可用作数字钟的信号源。根据实际使用需要,信号发生器输出八个固定的频率,开关任意选择,电压输出幅度分0~0.1V,0~1V两挡连续可调。

电路原理如图所示。集成电路CD4060是带有振荡器的十四级分频器。晶体SJT产生30720Hz的微弱信号频率,与Cl及CD4060内部反相器构成晶体振荡。Rl用以提供反馈回路,仅在晶体的基频上产生振荡,振荡中心频率为30720Hz。微调电容Cl可使频率精确调谐在中心频率上。SA置于CD4060的13脚。30720Hz经CD4060九级(512次)分频后,由13脚输出高精度60Hz信号频率,经电容C3耦合到运放器741的2脚进行信号放大,然后从741的6脚输出。调节电位器RP时,XSl插口输出0~1V,XS2插口输出0~0.1V的低频信号。其中,C2、C5为电源滤波电容。C3、C6为741的输入、输出耦合电容。R5、C4为高频补偿电路。R2、R4构成分压衰减电路。R6为反馈电阻用以提高电路的稳定度。CD4060各脚的输出频率:3脚为2Hz,2脚为4Hz,13脚为60Hz,14脚为l20Hz,6脚为240Hz,4脚为480Hz,5脚为960Hz,7脚为l920Hz。

觉得这篇文章有帮助吗?