70MHz并联晶体振荡器

📅 发布时间:2013-10-07 22:45 👁️ 浏览:0 🏷️ 标签: MHz 70 并联 晶体振荡器

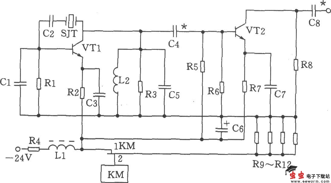
如图为70MHz并联型晶体振荡电路。振荡器主要是由三极管VTl、晶体SJT及电容Cl、C5等元件组成。

元器件选择:

电容Cl为20p,C2为100p,C3、C7为820p,C4为56p,C5、C8为47p,C6为47μF/50V。电

感Ll为22μH(色码电感),L2为0.3μH。电阻Rl为1.6kΩ,R2为1kΩ,R3为750Ω,R4为

180Ω、1W,R5为1.3kΩ,R6为3kΩ,R7为360Ω,R8为470Ω,R9~R12为300Ω、2W。三极管VTl、VT2选3DG828,65≤β≤115。晶体SJT用JA98型-70MHz。继电器KM为JUC-1M。

觉得这篇文章有帮助吗?