三种波形信号发生器电路

📅 发布时间:2013-10-07 20:45 👁️ 浏览:4 🏷️ 标签: 波形 信号发生器 电路

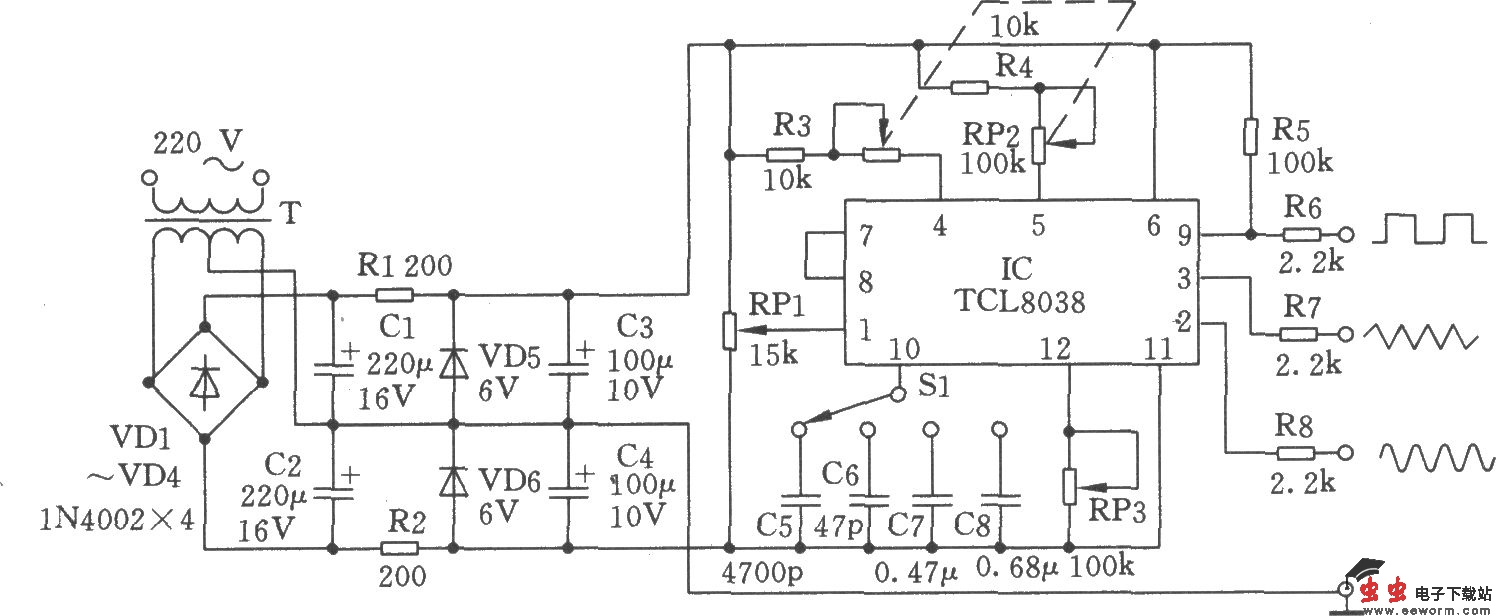
TCL8038是一种专用函数发生电路,具有多种波形输出的功能(方波、三角波、正弦波)。其工作电流约l0mA,用正负电源。电路如图所示。图中C5~C8采用温度系数小,误差小的电容。Sl打在C8挡时可输出1Hz以下的脉冲波形。RP2采用51~100kΩ双连线性电位器,便于频率刻度。RPl、RP3用来微调输出的波形,使其上、下峰沿平滑。Sl为频率粗调挡,RP2为频率细调电位器。调试时,可借助一台数字频率计进行频率刻度标定。并用示波器测波形,调整电位器RPl和RP3。调RPl使方波信号的占空比为50%,调RP3使正弦波信号更趋于平滑。该信号发生器的频率由公式0.3/RAv·(C5~C8)决定,其频率在1Hz~1MHz范围内。

觉得这篇文章有帮助吗?