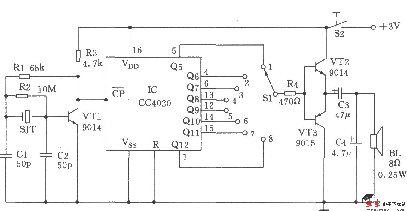
CC4020组成的石英晶振与分频电路

📅 发布时间:2013-10-07 20:20 👁️ 浏览:1 🏷️ 标签: 4020 CC 石英 晶振

如图所示为石英晶振与分频电路。S1与分频输出的关系如下表所示:

元器件选择

IC:CC4020为国产的,也可选用国外型号CD4020或MCl4020等直接换用。三极管VTl、VT2:9014、β=150~250,VT3:9015、β=150~250。VT2和VT3也可选用其它型号的三极管,但必须同为锗管和硅管,并尽可能参数一致。石英晶体SJT:型号为ZWB-1MHz。开关S1(波段开关):KZX-1-1D-9W。S2:KNX(1×1)。电阻标称功率均采用1/8W金属膜电阻。其他元器件参数值如图所示,无特殊要求。

觉得这篇文章有帮助吗?