1488kHz信号发生器与分频器

📅 发布时间:2013-10-07 19:40 👁️ 浏览:3 🏷️ 标签: 1488 kHz 信号发生器 分频器

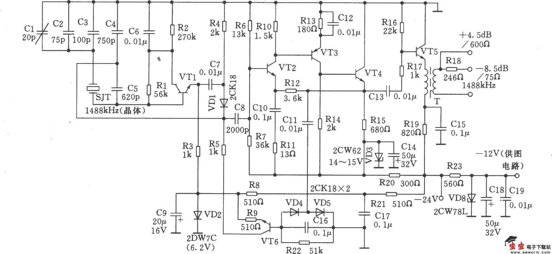
1488kHz主振器用石英晶体谐振器稳频,其输出由分频器进行分频,而得到4kHz、12kHz、124kHz三种不同的方波信号输出。电路如图所示。三极管VTl、VT2、VT4、VT6:3DG6C、β=50~85,VT3:3CG3D、β=50~85,VT5:3DGl308、β=65~115。变量器T:采用罐形铁氧体,型号为MTT22F。Ll-2Φ0.35mm高强度漆包线,绕制36匝。L3-4Φ0.31mm高强度漆包线,绕制21匝。Al~A9:为SG8228的D型CMOS、触发器,每块集成电路有两个D触发器组件。Al0、All:为5G8058型与门集成电路,每块电路有两个与门组件。其它元件的数值如图标注,无特殊要求。

觉得这篇文章有帮助吗?