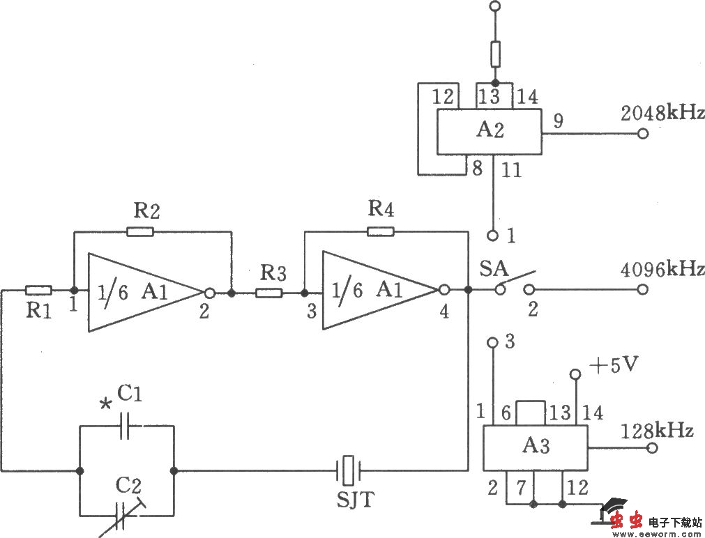
如图所示为多输出晶体振荡器。主要是由Al的三个门、四个电阻、二个电容和一块晶体所组成。Rl~R4将两个反相器偏置在线性范围内,并由晶体SJT连接在A1的4脚与1脚之间,用以提供反馈回路,仅在晶体的基频上产生振荡。
元器件选择:电容Cl为15p(微调电容器)。电阻Rl、R3为220Ω,R2为560Ω,R4为1.8kΩ,R5为1kΩ,其标称功率均为l/8W。集成电路Al为7404,A2为74LS74,A3为74LS393。石英晶体SJT为SW60A-4096kHz。开关SA为KNX(1×3)。
如图所示为多输出晶体振荡器。主要是由Al的三个门、四个电阻、二个电容和一块晶体所组成。Rl~R4将两个反相器偏置在线性范围内,并由晶体SJT连接在A1的4脚与1脚之间,用以提供反馈回路,仅在晶体的基频上产生振荡。
元器件选择:电容Cl为15p(微调电容器)。电阻Rl、R3为220Ω,R2为560Ω,R4为1.8kΩ,R5为1kΩ,其标称功率均为l/8W。集成电路Al为7404,A2为74LS74,A3为74LS393。石英晶体SJT为SW60A-4096kHz。开关SA为KNX(1×3)。