180—224kHz载频发生器电路

📅 发布时间:2013-10-07 18:25 👁️ 浏览:2 🏷️ 标签: 180 224 kHz 载频

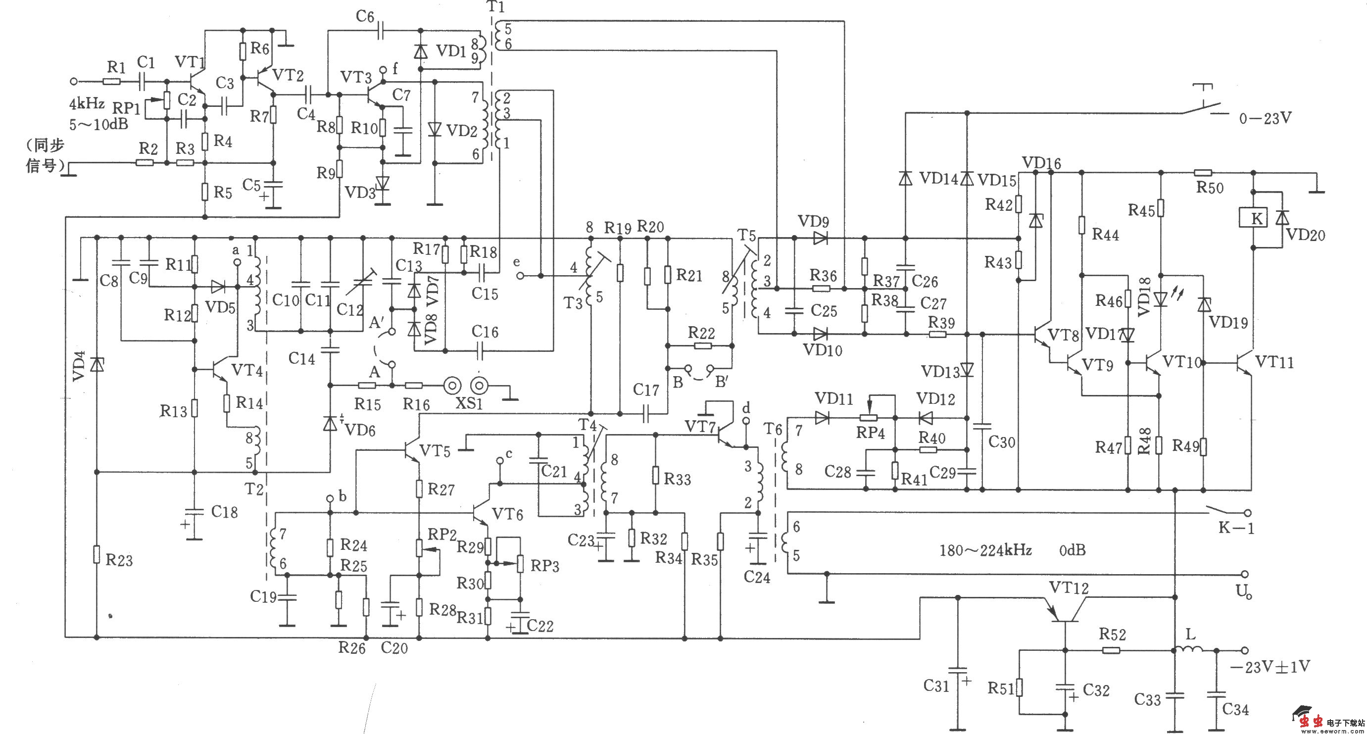
如图所示的发生器可用于载波机中的通路调制,其通路载频有180kHz、184kHz、188kHz、192kHz、 196kHz、200kHz、204kHz、208kHz、212kHz、216kHz、220kHz、224kHz共十二种。

2.元器件选择

电阻Rl、R48:3.9k、R2、R3、R8、R25、R32、R47:10k,R4、R9、R49、R52:3.3k,R5、R36:2k,R6、Rl9、R33、R41:20k,R7:24k,Rl0:110Ω,Rll:4.7k,Rl2:750Ω,Rl3、R23、R31、R50:1.3k,R14:560Ω,Rl5、Rl7、Rl8、R37、R38:510k,Rl6:910Ω,R20:16Ω,R21(参看下表),R22、R30:lk,R24、R29:300Ω,R26、R34、R43:2.7k,R27:180Ω,R28:1.5k,R35:240Ω,R39:300k,R40:1M,R42、R46:9.1k,R44:4.3k,R45:5.1k,R51:100k。电阻型号均采用RTX-0.125W即可。电位器RPl:4.7k,RP2:150Ω,RP3:680Ω,RP4:2.2kΩ。电容Cl、C3、C7、Cl5、Cl6、C26~C29:0.047pF,C2、Cl9、C30:0.1μF,C4:510pF,C5、C8、C9、C20、C21~C24:5μF30V,C6:2400pF,Cl0(调测时选用),Cll、Cl4、Cl7、C21、C25,参考下表,Cl2:20pF,Cl3:680pF,Cl7:5500pF,Cl8,C31、C32:50μF30V,C33、C34:0.22μF。二极管VDl、VD2、VD5、VD7~VDll、VDl4、VDl5:2CKl8或2CK72C,VDl2、VDl3、VDl7、VD20:2CPl4。稳压管VD3、VDl6:2CW5(工作电流6mA,稳压12.5±0.5V),VD4:2CWl4(电压6.8±0.2V),VDl9:2DW7C。变容二极管VD6i 2CC5。发光二极管VDl8:BT-201。三极管VTl、VT4~VT6、VT8~VTl0:3DG6C、β=85~115,VT2:3AG43、β=50~85,VT3:3DK28、β=65~115,VT6、VTll:3DGl28、β=65~115。继电器K:]RW-3M。电感L:LH2A-直-220μH(色码电感)。脉冲变压器Tl:型号MX0-200,Ll-3、绕制12匝,L2-3、L4-5、L6-7、L8-9均绕24匝,均选用Φ0.21mm高强度漆包线。振荡变压器T2:型号为L22AL=100,L3-4、绕66匝,L1-4绕98匝,L6-7、绕8匝,L5-8、绕4匝,均选用Φ0.21mm高强度漆包线,Ll-3=2.7mH。缓冲放大变压器T3:型号为Ml8AL=100,L4-5、绕45.5匝,L4-8、绕30.5匝,均选用Φ0.27mm高强度漆包线,554μH≤L5-8≤583μH。输出变压器T6:型号为T22AL=2800,Ll-4、L3-4、绕64匝,L5-6、绕4匝,L7-8、绕27匝,均选用Φ0.23mm高强度漆包线,Ll-3≥45mH。告警鉴相变压器T5:型号为Ml8AL=100,L3-2、L3-4、绕70匝,L5-8、绕l2匝,均选用40.23mm高强度漆包线,1.88μH≤L4-2≤1.98μH。前置放大变压器T4:型号为Ml8AL=100,Ll-4、L3-4、绕43匝,L7-8、绕53匝,均选用40.17mm高强度漆包线,710μH≤Ll-3≤747μH。

觉得这篇文章有帮助吗?