用CD4046组成的宽带方波信号发生器

📅 发布时间:2013-10-07 18:05 👁️ 浏览:0 🏷️ 标签: 4046 CD 宽带 方波信号发生器

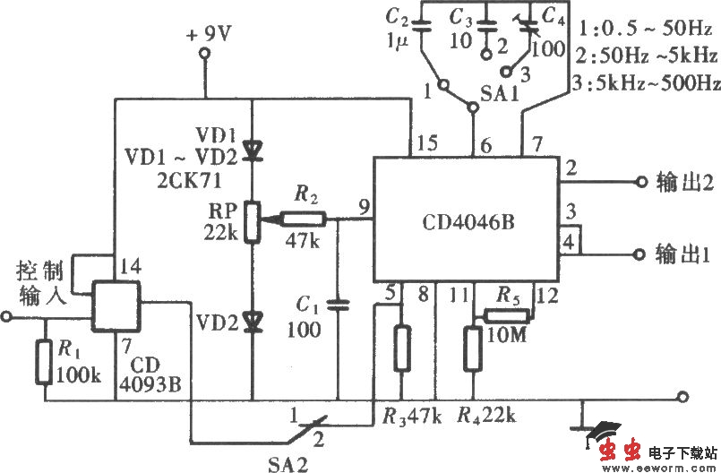
CD4046的工作频率最高可达1MHz,通过对其外接RC元件参数的设定,可以组成一个宽频带的方波信号发生器,其电路组成如图所示。

觉得这篇文章有帮助吗?