独立可调占空比的宽带脉冲发生器

📅 发布时间:2013-10-07 17:45 👁️ 浏览:1 🏷️ 标签: 独立 宽带 脉冲发生器

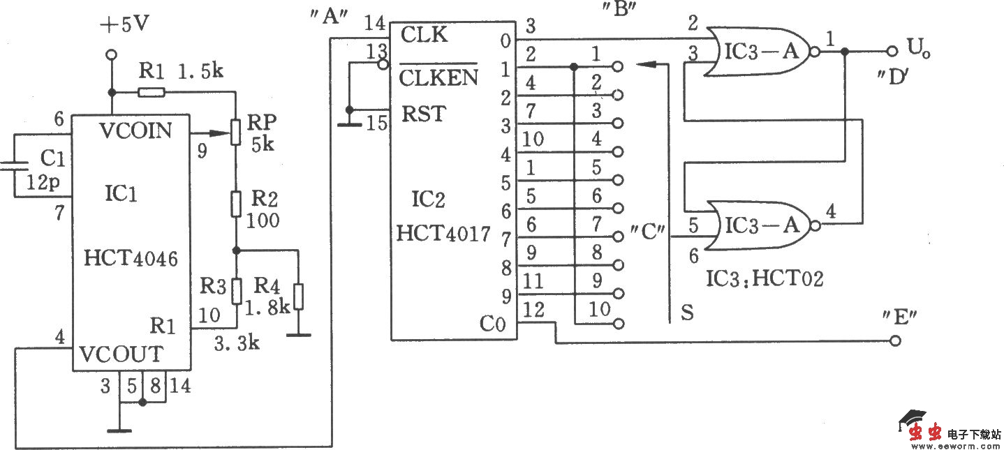
如图所示电路可提供工作频率范围从l.2kHz~2.7MHz,占空比为10~90%的可调方波和矩形波发生器。频率产生来自于压控振荡器ICl和相关元器件。1.2kHz~2.7MHz利用振荡频率的电位器RP来调节。计数器IC2提供从Q0输出到SR触发器IC3的置位脉冲,相应的复位脉冲从Ql~Q9输出选择开关S来决定。输出频率是IC2的输入1/10,即是从进位输出“C”获得的方波。

波形:

觉得这篇文章有帮助吗?