由ISO113与PWS750-1构成的多通道同步隔离电路

📅 发布时间:2013-10-05 23:30 👁️ 浏览:3 🏷️ 标签: ISO 113 750 PWS

由ISO113与PWS750-1构成的多通道同步隔离电路 

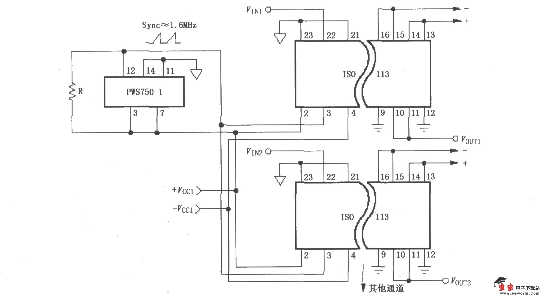
如图所示为由ISO113与PWS750-1构成的多通道同步隔离电路。该电路中采用PWS750-1振荡器

由ISO113与PWS750-1构成的多通道同步隔离电路 

觉得这篇文章有帮助吗?