
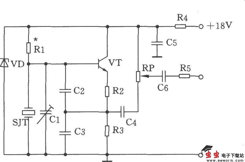
如图所示为考毕兹振荡器电路。它带一个基频率晶体,其频率为1499kHz,晶体SJT并接在电容C2、C3两端。射极分压电阻R2、R3提供基本的反馈信号,反馈受电容分压器C2、C3的控制。晶体SJT起振工作后输入给三极管VT基极l499kHz正弦波信号,由射极输出器VT输出,经耦合电容C4送入电位器RP输出。电阻R1把18V电压降压供给VT一个合适的偏置电压,适当调节电阻R1可使考毕兹振荡器工作在软激励状态。电阻R4、电容C5为专耦电路。调节电容C1,可将振荡器精密的微调在工作频率上。调节电位器RP,可改变振荡信号输出电平的大小。
元器件选择:电容Cl为5~20p,C2为51p,C3、C6为100p,C4为15p,C5为100μ/32V。电阻Rl为62kΩ,R2为300Ω,R3为2.4kΩ,R4为360Ω,1/2W,R5为15kΩ。电位器RP选4.7kΩ。三极管VT为3DGl20C,65≤β≤115。稳压二极管VD用2CW58。晶体SJT选用JA5B型-1499Hz。