
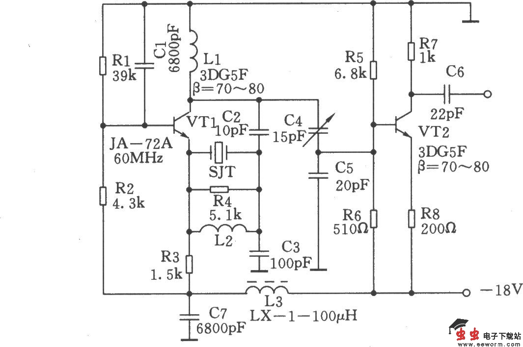
如图所示为60MHz晶体振荡器,主要是由晶体振荡电路和缓冲放大电路等组成。晶体三极管VT1为60MHz的晶体振荡器,振荡器的输出送至晶体三极管VT2的缓冲放大器进行信号放大,它的发射极有较大的反馈,使振荡器更稳定。电阻R5、R6为偏置,R7为负载电阻,信号通过电容C6耦合输出60MHz的高频信号。VT1集电极回路由电感L1及电容C4、C5组成并联谐振回路,调节空气可变电容 器C4,使回路谐振在振荡频率60MHz上,电感L3和电容C7组成去耦电路,其作用滤除电源中的高次谐波,以保证频率波形的纯度。