
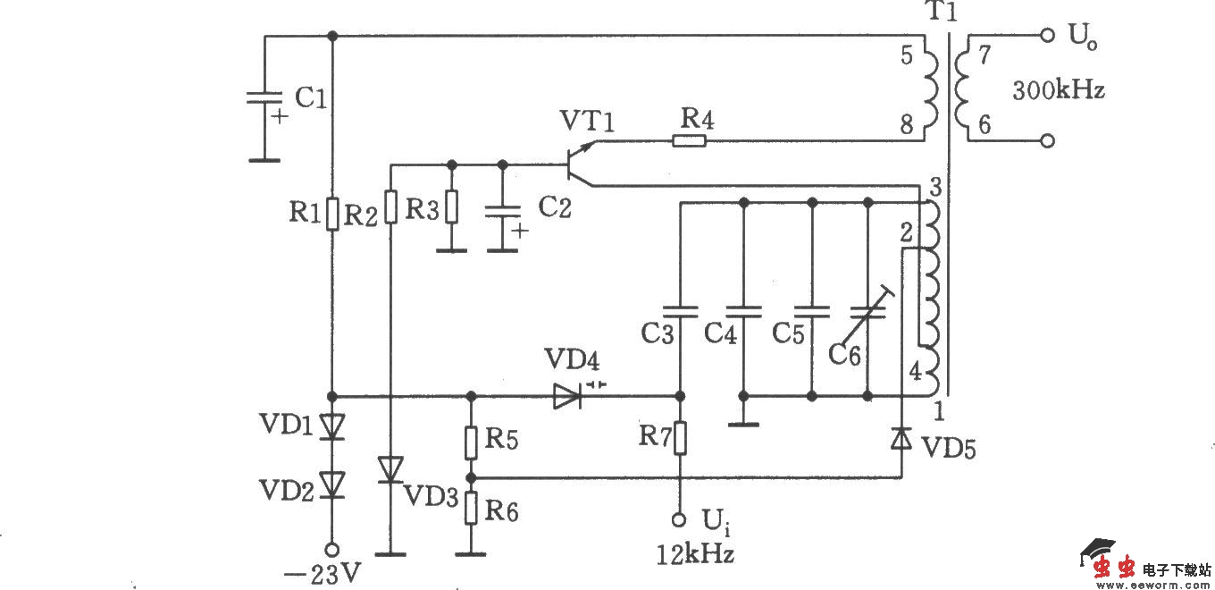
如图所示为300kHz信号发生器。它由VT1、T1、VD4及相关元件组成压控振荡器。压控振荡器采用LC集电极调谐式,VTl为振荡管,由变容二极管VD4、电容C3~C6和变量器T1的1~3绕组的电感组成调谐回路,变容二极管VD4反偏工作,来自控制电压加于负端,以改变其电容量。振荡信号由Tl的6~7绕组输出。其中,C6是频率微调电容。VD3稳定振荡级工作电压,稳定电压为6.8V±0.2V。
元器件选择:
三极管VT1:3DG6C、β=65~85。二极管VD1、VD2:2CPl4,VD5:2CK18。稳压二极管VD3:2CWl4。变容二极管VD4:2CC5。电阻R1:3.6k,R2:3.3k,R3:5.1k,R4:510Ω,R5:3.9k,R6:3k,R7:100k,其型号均为RTX-0.125W。电容Cl、C2:5μF30V,C3:51pFl00V,C4:820pFl00V,C5:(调测时选配),C6:20pF。变量器T1:型号为L22、A=100。L1-4:Φ0.29mm,绕27匝,L2-3:Φ0.29mm,绕l8匝,L4-2:Φ0.29ram,绕9匝,L5-8:Φ0.29mm,绕7匝,L6-7:ΦO.29mm,绕6匝。L1-3=292μH,允许误差范围:0~10μH。