4kHz谐波发生器

📅 发布时间:2013-10-05 17:45 👁️ 浏览:1 🏷️ 标签: 4kHz 谐波 发生器

4kHz谐波发生器

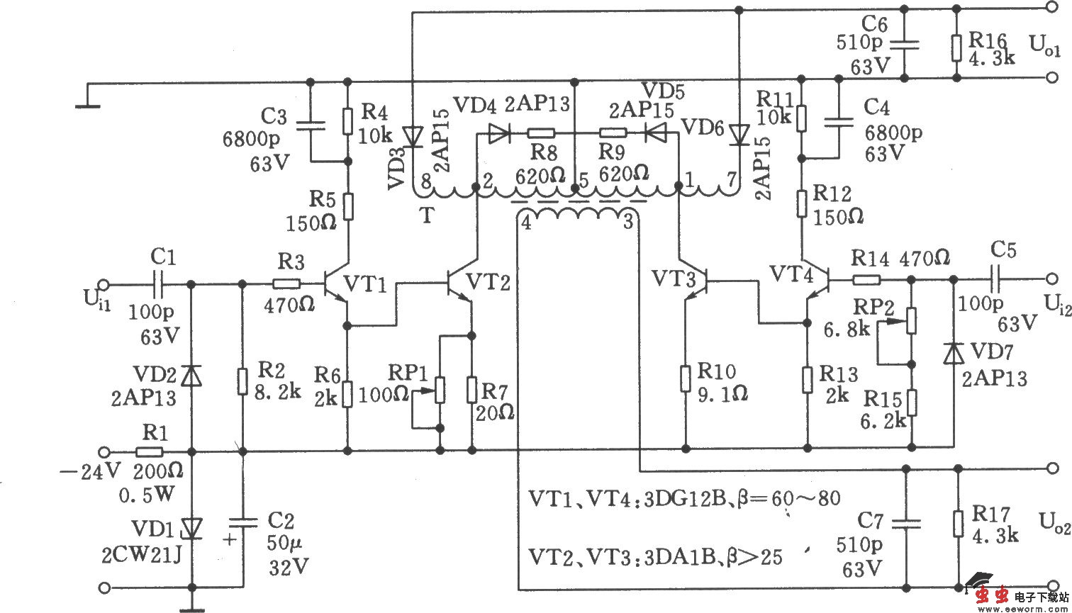
谐波发生器是微分式的,它由一个左右对称的微分放大电路将相位相差半个周期的矩形脉冲,通过输出变压器推挽耦合,该谐波发生电路简单,调测方便,成本低,又保留了其对称脉冲的特点,其性能可以与磁饱和式相近。如图所示为4kHz谐波发生器电路。它产生的频率受主振荡的控制,奇、偶次谐波可供作通讯机的预调、 通路,群路调制和解调的载频和导频。

觉得这篇文章有帮助吗?