
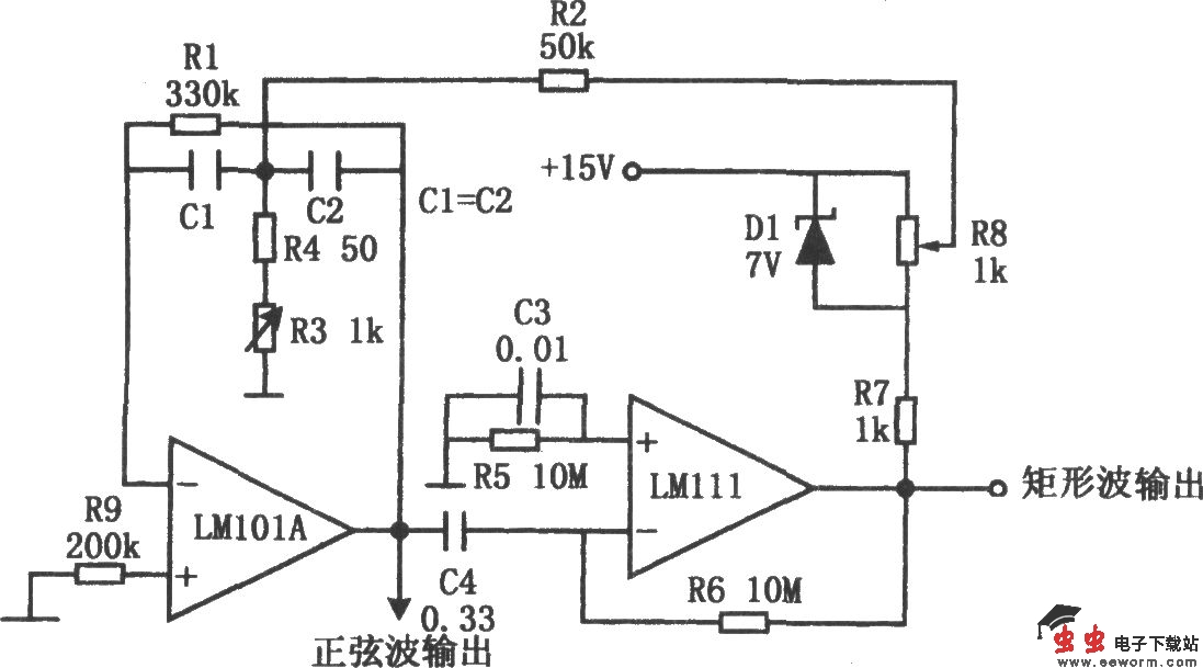
如图所示为具有正弦波、矩形波输出的振荡电路。在一般的RC振荡电路中,如果要求有较宽的频率变化范围,不仅要改变电阻,而且还要改变电容。而本电路只需改变一个电阻R3就可在很宽范围内改变振荡频率。图中,运算放大器LM101A构成有源带通滤波器,LM111为电平比较器,构成限幅器。它们之间由于正反馈而产生振荡。电平比较器输出为正弦波,但是通过带通滤波器后只取出基波,故LM101A输出为正弦波。矩形波幅度接近于正、负电源电压。正反馈量由电位器R8调节。稳压二极管D1用来限制反馈量。电路的振荡频率和滤波器的中心频率相同。当C1=C2时,中心频率为:
。
振荡频率和电阻R3、电容C的关系如表所示。
如果R3≤R1,则f0与R3的平方成反比。带通滤波器的增益与带宽和R3的变化无关,改变R3只改变振荡频率,不改变输出电平大小。