
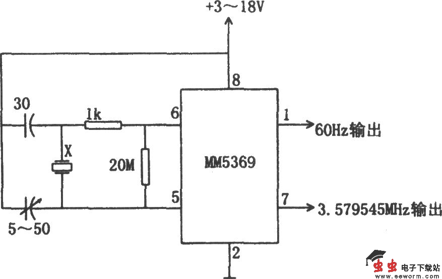
如图所示为60Hz时基发生电路。在很多场合,60Hz已经成为一个基准参考频率,如电子钟、定时器、控制器等,都设计以60Hz为其工作参考信号。因此常常需要一个独立的60Hz信号源,以适用于便携式或由电池供电的各种电路以及供测试和开发之用。本电路就是由集成电路MM5369时基发生器构成的。该器件需外接晶体,此晶体是按标准3.579545MHz彩色电视“彩色同步信号”频率切割而成的。电路的输出为60Hz和3.58MHz两个频率。借助5~50pF可变电容器可使电路输出正确的频率。该频率可用频率计或类似仪器来监测