
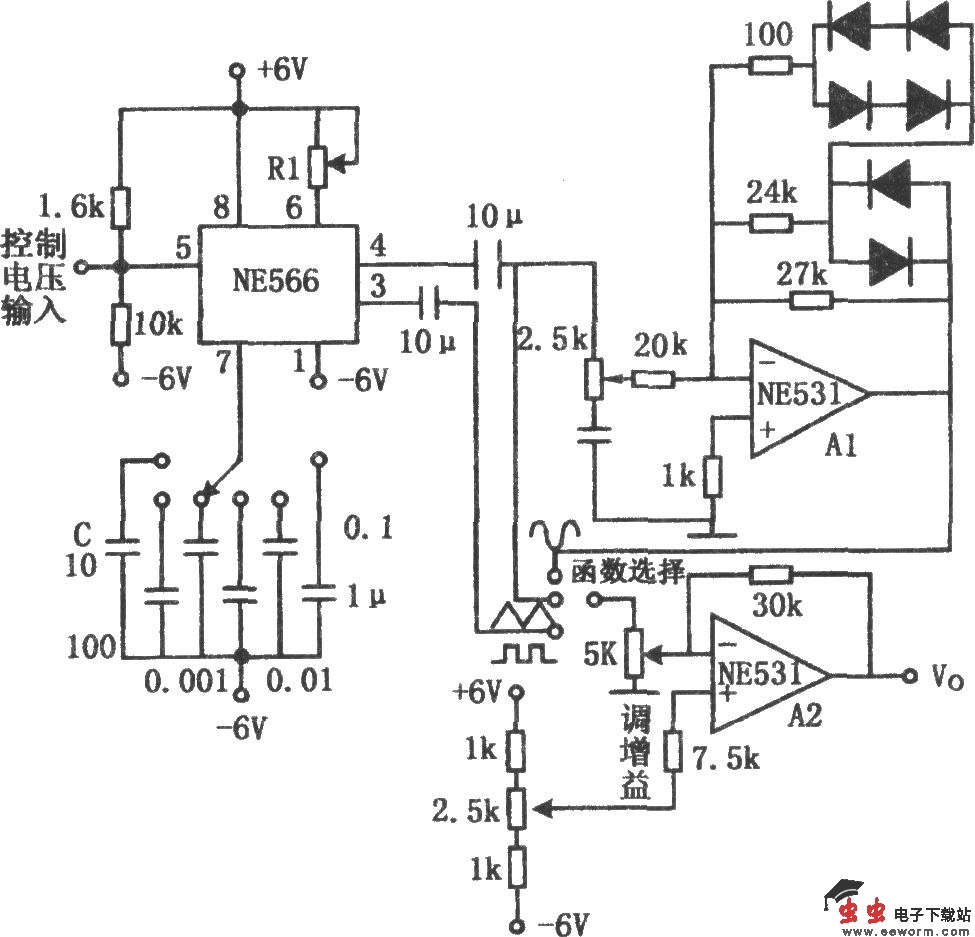
如图所示为正弦波、方波和三角波发生电路。该电路是由一个压控振荡器和两个高速运放构成的具有很宽的频率变化范围。振荡器由NE566构成,工作频率范围为0.1Hz~1MHz。频率调节通过R1和C完成。三角波和方波是通过交流耦合加到运算放大器A2,由A2输出。正弦波变换器A1可以将三角波变换成正弦波,并通过A2输出。正弦波输出的频率范围为10Hz~1MHz,它是利用二极管进行正弦波变换的。放大器A1是高转换速率的运算放大器,其满功率带宽为500kHz以上。

如图所示为正弦波、方波和三角波发生电路。该电路是由一个压控振荡器和两个高速运放构成的具有很宽的频率变化范围。振荡器由NE566构成,工作频率范围为0.1Hz~1MHz。频率调节通过R1和C完成。三角波和方波是通过交流耦合加到运算放大器A2,由A2输出。正弦波变换器A1可以将三角波变换成正弦波,并通过A2输出。正弦波输出的频率范围为10Hz~1MHz,它是利用二极管进行正弦波变换的。放大器A1是高转换速率的运算放大器,其满功率带宽为500kHz以上。