
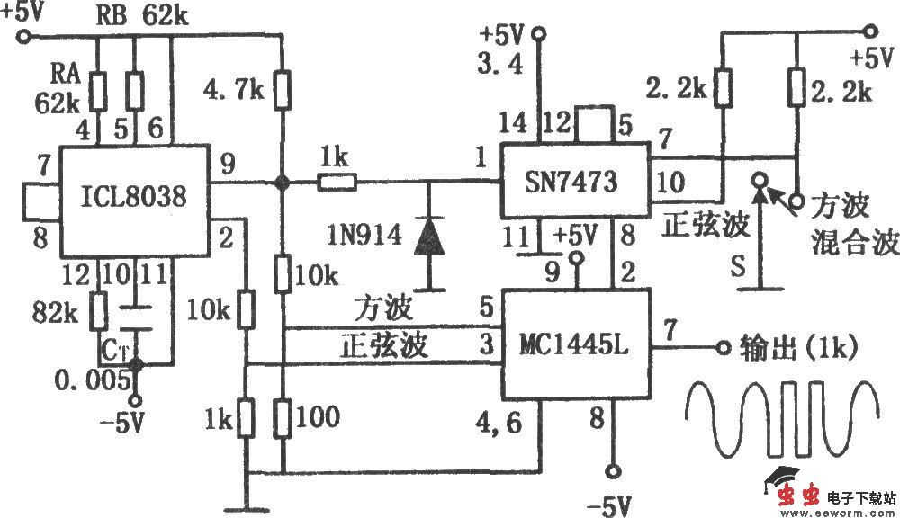
如图所示为正弦波、方波发生电路。一般测量线性放大器动态范围和失真度需要正弦波,而测量线性放大器的瞬态、频率特性和相位畸变需 要方波。本电路有三种工作状态,即正弦波输出、方波输出或自动交变的正弦波、方波输出。图中,ICL8038为多种波形发生器。它输出的正弦波和方波加到视频放大器MC1445L的两个输入端。发生器输出的方波也同时加到TTL四分频电路(SN7473)的计数输入端,四分频电路的输出控制视频放大器的输出波形(正弦波、方波或交变的正弦波和方波)。按图中所标元件数值,电路工作频率为0.3RACT=1kHz。正弦波的振幅大约为l.5V,方波的幅度约为0.9V。如果RA=RB,占空比接近50%。开关S用来选出输出波形。