
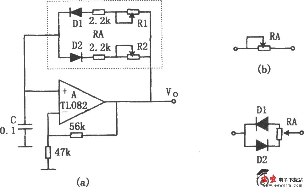
如图所示为简单的矩形波发生电路。该电路为矩形波和方波发生电路,波形的高低电平时间可独立设定,振荡频率由高低电平时间共同确 定。电路中用二极管对决定电容C充放电时间的电阻进行切换,用可变电阻R1和R2调整矩形波高低电平时间。电阻网络RA作为运放的反馈电路和电容C的充放电电路。由运放输出的电压经56kΩ和47kΩ电阻分压作为基准电压与电容C上电压进行比较而产生振荡。若用可变电阻RA(图b)代替图(a)中的电阻网络RA,电路成为方波产生电路,并且振荡频率可由RA进行改变。若用二极管和可变电阻RA(图c)代替图(a)中的电阻网络RA,电路成为矩形波产生电路。由于充电和放电电阻之和恒定,故电路振荡频率也恒定,可变电阻RA仅用来改变波形的占空比。