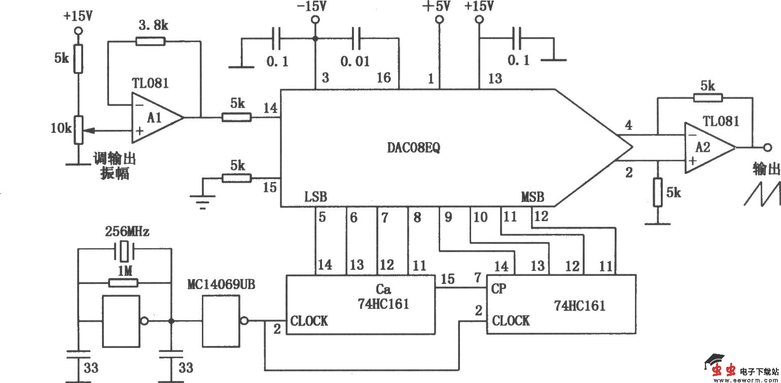
由DAC08EQ构成的锯齿波信号发生器

📅 发布时间:2013-10-05 14:35 👁️ 浏览:0 🏷️ 标签: DAC 08 EQ 锯齿波

由DAC08EQ构成的锯齿波信号发生器

由DAC08EQ芯片构成的锯齿波信号发生器结构较简单,产生的信号波形精度较高,可应用于对信号波形精度要求较高的电路或仪器中,如图所示。

觉得这篇文章有帮助吗?