精密闸门式振荡器

📅 发布时间:2013-10-05 14:15 👁️ 浏览:0 🏷️ 标签: 精密 振荡器 闸门

精密闸门式振荡器

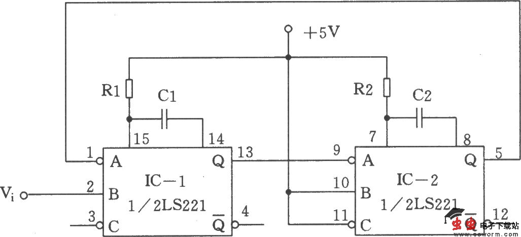
许多闸门式振荡电路所开通的振荡波形在第一周期内往往会有或长或短的倾向,不够稳定。如图所示为利用一只双触发器电路74SL221做成的闸门式振荡器,其波形既稳定、纯度又高,其边缘由一级输入到下一级结束,因而可以做得精密。两个触发器性能完全一致,振荡频率近似值为l/1.4R1·Cl和1/1.4R2·C2,实际频率最大值为10MHz。

波形图:

精密闸门式振荡器 

觉得这篇文章有帮助吗?