谐波发生器(LM318)

📅 发布时间:2013-10-05 14:10 👁️ 浏览:0 🏷️ 标签: 318 LM 谐波 发生器

谐波发生器(LM318)

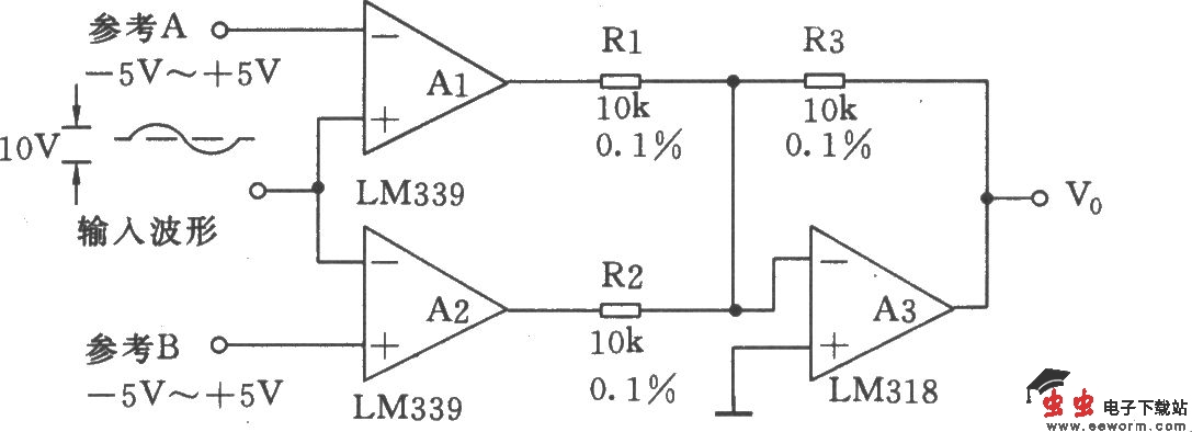
由两个比较器和一个求和放大器组成的谐波发生器如图所示。它可以利用正弦波、三角波、锯齿波等任何非方波波形得到所需要的谐波,而谐波在锁相环、波形发生器、电子乐器及其它需要谐波的应用中有着广泛的用途。

觉得这篇文章有帮助吗?