用单片机构成的波形发生器

📅 发布时间:2013-10-05 12:50 👁️ 浏览:2 🏷️ 标签: 用单片机 波形发生器

用单片机构成的波形发生器

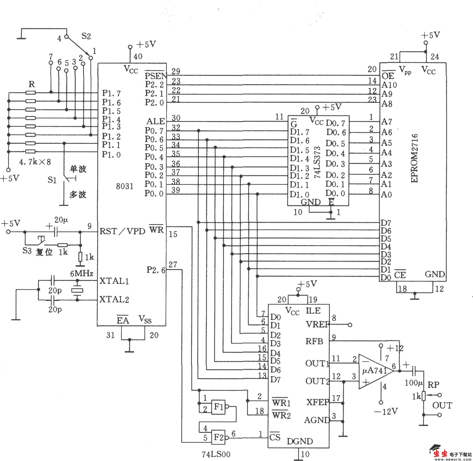
如图所示是一种用MCS-51单片构成的波形发生器,其线路简单、结构紧凑,价格低廉。它可产生三角波、锯齿波、正弦波、阶梯波、方波等6种波形,这6种波形可串起来分时定波数连续循环输出,也可任意选择一种波形连续输出。若在本电路基础上配上键盘控制和LED显示器,则可对波形输出频率通过修改软件进行预设和显示。

觉得这篇文章有帮助吗?