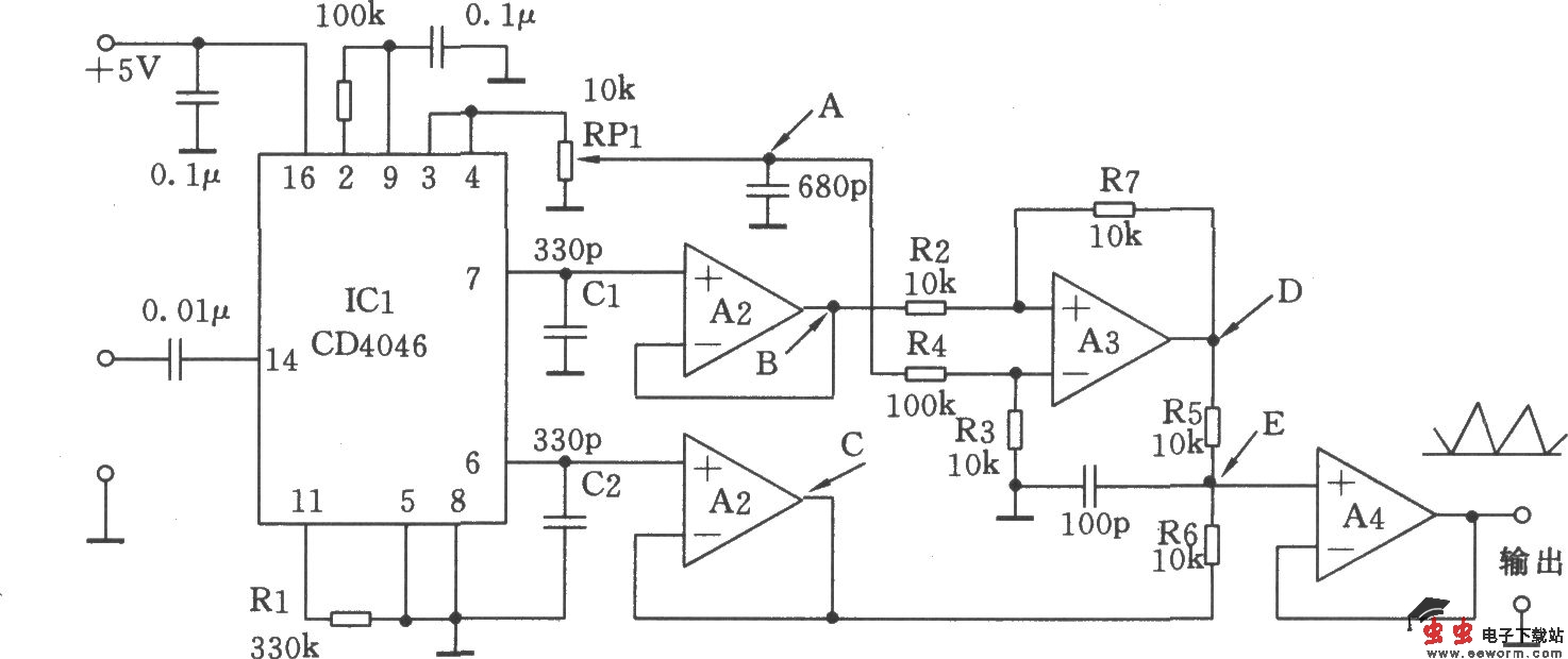
由CD4046构成的三角波发生器

📅 发布时间:2013-10-05 12:35 👁️ 浏览:2 🏷️ 标签: 4046 CD 三角波发生器

由CD4046构成的三角波发生器

如图所示的电路可以用来产生以地电位为基准且有固定幅度的三角波,其频率跟踪PLL的输入信号频率。

觉得这篇文章有帮助吗?