用CD4046组成的频率锁定指示器

📅 发布时间:2013-10-05 12:15 👁️ 浏览:0 🏷️ 标签: 4046 CD 频率 指示器

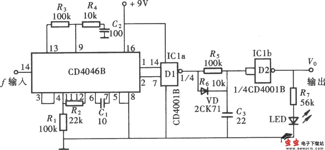
根据锁相环电路在频率锁定时两个相位比较器的输出特性,可以设计一个频率锁定指示器,其电路如图所示。

 

用CD4046组成的频率锁定指示器

觉得这篇文章有帮助吗?