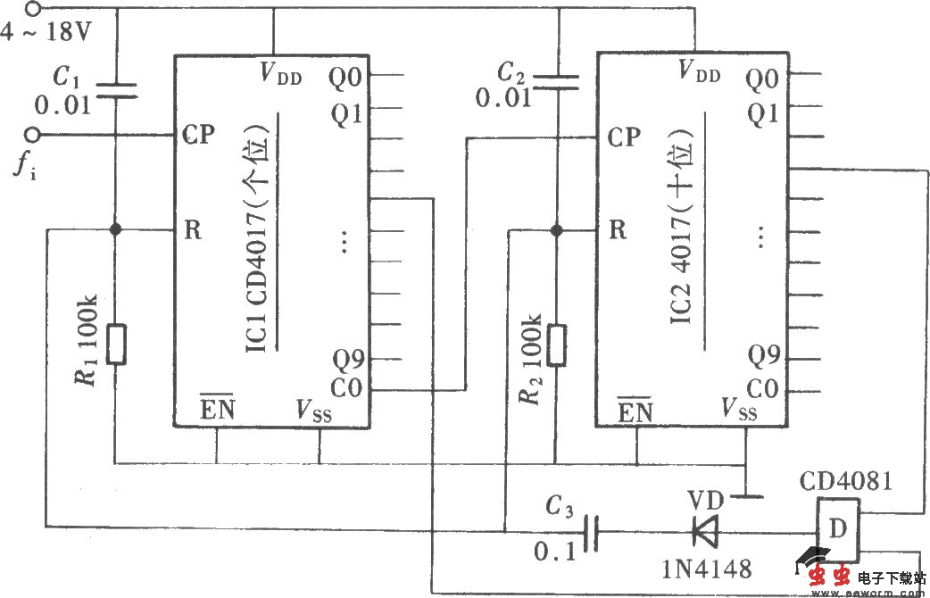
用CD4017组成分频系数为34的分频器

📅 发布时间:2013-10-05 11:45 👁️ 浏览:0 🏷️ 标签: 4017 CD 分频 系数

用两只CD4017与一个二输入端与门配合,可组成一个分频系数为34的电子分频器,通过不同的组合连接还可将分频系数扩大为2~99。其电路组成如图所示。

用CD4017组成分频系数为34的分频器

觉得这篇文章有帮助吗?