用CD4046组成的斜波发生器

📅 发布时间:2013-10-05 11:35 👁️ 浏览:2 🏷️ 标签: 4046 CD 斜波 发生器

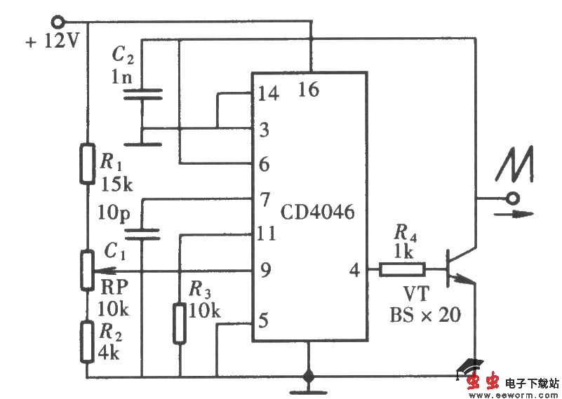
将CD4046的⑥、⑦脚间外接的电容分作两部分,分别接地。利用它们各自充、放电时间的不同,可使压控振荡器产生的波形,在上升沿和下降沿产生巨大的差别。两个电容量的差愈大则产生的斜波的斜度愈大。如图所示为用CD4046组成的斜波发生器电路。

用CD4046组成的斜波发生器 

觉得这篇文章有帮助吗?