用门电路组成的门控振荡器(CD4011)

📅 发布时间:2013-10-05 07:40 👁️ 浏览:1 🏷️ 标签: 4011 CD 门电路 门控

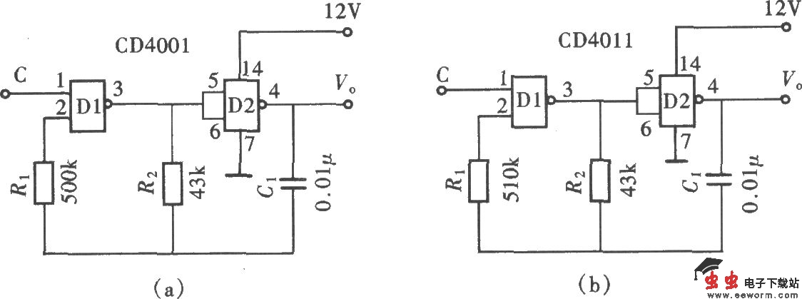
用门电路组成的多谐振荡器(包括由反相器、与非门和或非门)在各种电子电路中几乎都能见到,它们最主要的用途是用来作时钟脉冲发生器,用来驱动计数器或脉冲分配器,使电路的各组成部分能够按照所设定的工作程序有条不紊地工作。用与非门和或非门组成的多谐振荡器如图所示。

用门电路组成的门控振荡器(CD4011) 

觉得这篇文章有帮助吗?