方波振荡器(741)

📅 发布时间:2013-10-05 07:30 👁️ 浏览:1 🏷️ 标签: 741 方波 振荡器

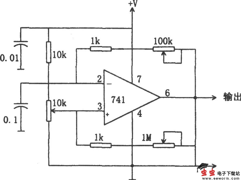
方波振荡器(741)

如图所示为方波振荡电路。该电路可以产生频率为100~1000Hz以上的方波,其振荡频率通过100kΩ和1MΩ两个电位器进行调节,而输出方波的线性则由10kΩ电位器调节。如果只需单频输出,则100kΩ和1MΩ两个电位器可用固定电阻替代。

觉得这篇文章有帮助吗?